Analog Devices Inc. EVAL-ADRF6755SDZBOARD EVAL MODULATOR ADRF6755
Description
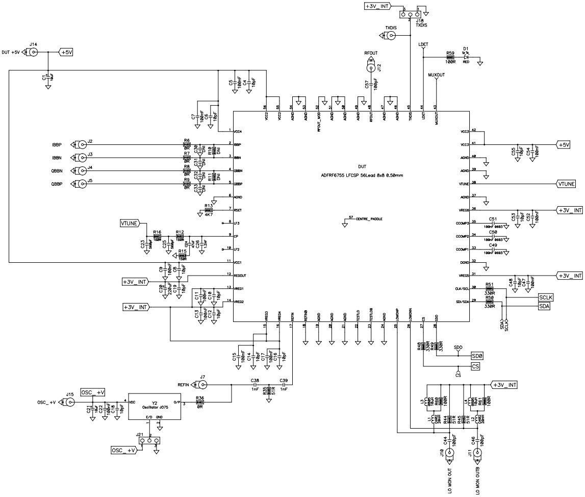
The Analog Devices EVAL-ADRF6755SDZ Evaluation Board is a powerful tool for evaluating the performance of the ADRF6755 300 to 2310 MHz I/Q Modulator with Integrated Fractional-N PLL and VCO. This board is designed for use in communications and telecom applications, and features a wide range of features and capabilities. It includes a high-performance I/Q modulator, a fractional-N PLL, and a VCO, as well as a wide range of other components. The board also includes a variety of test points and connectors for easy evaluation and testing. The board is designed to provide a comprehensive evaluation of the ADRF6755, and is ideal for use in a variety of communications and telecom applications.
Specifications
Analog Devices Inc. technical specifications, attributes, parameters and parts with similar specifications to Analog Devices Inc. .
- TypeParameter
- Lifecycle StatusPRODUCTION (Last Updated: 2 weeks ago)
- Factory Lead Time8 Weeks
- Number of Pins0
- PackagingBulk
- Part StatusActive
- Moisture Sensitivity Level (MSL)1 (Unlimited)
- TypeModulator
- Frequency100MHz~2.4GHz
- Base Part NumberADRF6755
- Operating Supply Voltage5V
- Supplied ContentsBoard(s)
- Evaluation KitYes
- REACH SVHCNo SVHC
- RoHS StatusROHS3 Compliant
- Lead FreeContains Lead
0 Similar Products Remaining
Technical Documents
Associated Products
| Part Number | Manufacturer | Description | Stock | RFQ |
|---|---|---|---|---|
| Analog Devices Inc. | IC ADC 16BIT 3CH LP 16-TSSOP | 5 | RFQ | |
| Microchip | 8K X 8 I2C/2-WIRE SERIAL EEPROM, PDSO8, 3.90 MM, ROHS COMPLIANT, PLASTIC, SOIC-8 | 2095 | BUY | |
| Microchip Technology | EEPROM SERIAL 64K, 24LC64, SOIC8 | 700 | RFQ | |
| Analog Devices Inc. | IC ADC 16BIT SIGMA-DELTA 16TSSOP | 2046 | RFQ |


Product
Brand
Articles
Tools














