Analog Devices Inc. ADRF6701-EVALZANALOG DEVICES ADRF6701-EVALZADRF6701, QUAD MODULATOR, EVAL BOARD
Description
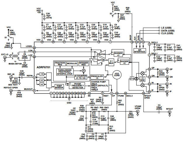
The Analog Devices ADRF6701-EVALZ Evaluation Board is designed to evaluate the performance of the ADRF6701 400 to 1250 MHz Quadrature Modulator with 750 to 1150 MHz Frac-N PLL and Integrated VCO. This evaluation board is ideal for testing and evaluating the performance of the ADRF6701 in a variety of communications and telecom applications. The board includes a wide range of features, including a high-performance PLL, a low-noise VCO, and a wide range of input and output ports. The board also includes a variety of test points and connectors for easy evaluation and testing. The ADRF6701-EVALZ Evaluation Board is an ideal solution for evaluating the performance of the ADRF6701 in a variety of communications and telecom applications.
Specifications
Analog Devices Inc. technical specifications, attributes, parameters and parts with similar specifications to Analog Devices Inc. .
- TypeParameter
- Lifecycle StatusPRODUCTION (Last Updated: 3 months ago)
- Factory Lead Time8 Weeks
- MountPCB
- Number of Pins0
- Part StatusActive
- Moisture Sensitivity Level (MSL)1 (Unlimited)
- TypeModulator
- Frequency400MHz~1.25GHz
- Base Part NumberADRF6701
- Operating Supply Current240mA
- Nominal Supply Current240mA
- Supplied ContentsBoard(s)
- Evaluation KitYes
- P1dB10.1 dBm
- REACH SVHCNo SVHC
- RoHS StatusROHS3 Compliant
- Lead FreeContains Lead
0 Similar Products Remaining
Technical Documents
Associated Products
| Part Number | Manufacturer | Description | Stock | RFQ |
|---|---|---|---|---|
| Microchip Technology | EEPROM SERIAL 64K, 24LC64, SOIC8 | 700 | RFQ |


Product
Brand
Articles
Tools















