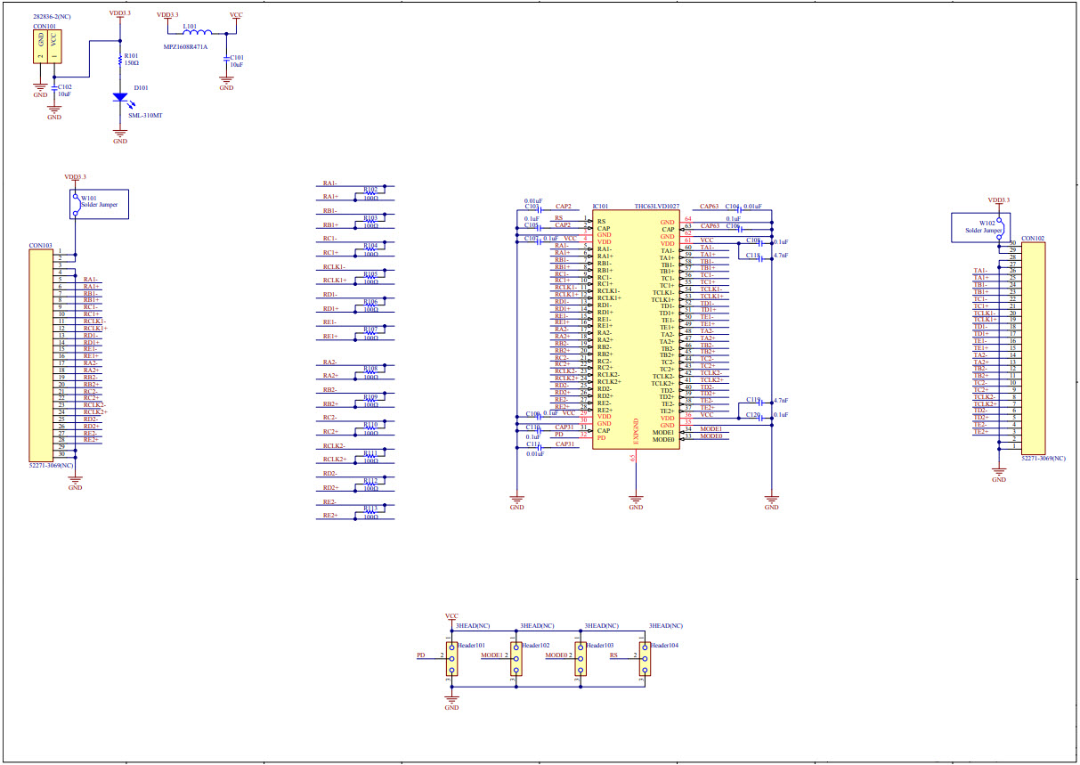
CEL THEVA1027-V2THC63LVD1027 EVALUATION BOARD
The California Eastern Laboratories THEVA1027-V2, THC63LVD1027(-Q) LVDS Dual Link Evaluation Kit is designed for transmission of video data, video, and imaging applications. It is a complete evaluation kit that includes two THEVA1027-V2, THC63LVD1027(-Q) LVDS Dual Link Transceivers, two evaluation boards, and two cables. The transceivers are designed to support data rates up to 1.25 Gbps and feature low power consumption, low EMI, and low jitter. The evaluation boards are designed to provide a convenient platform for testing and evaluating the transceivers. The kit also includes two cables for connecting the transceivers to the evaluation boards. This kit is ideal for designers who need to evaluate the performance of the THEVA1027-V2, THC63LVD1027(-Q) LVDS Dual Link Transceivers for their video data, video, and imaging applications.
- TypeParameter
- Factory Lead Time10 Weeks
- SeriesTHine®
- Part StatusActive
- Moisture Sensitivity Level (MSL)1 (Unlimited)
- TypeInterface
- FunctionLVDS, Repeater
- Utilized IC / PartTHC63LVD1027
- Supplied ContentsBoard(s)
- Primary AttributesTransmitter and Receiver
- Secondary AttributesOn-Board LEDs
- RoHS StatusROHS3 Compliant


Product
Brand
Articles
Tools










