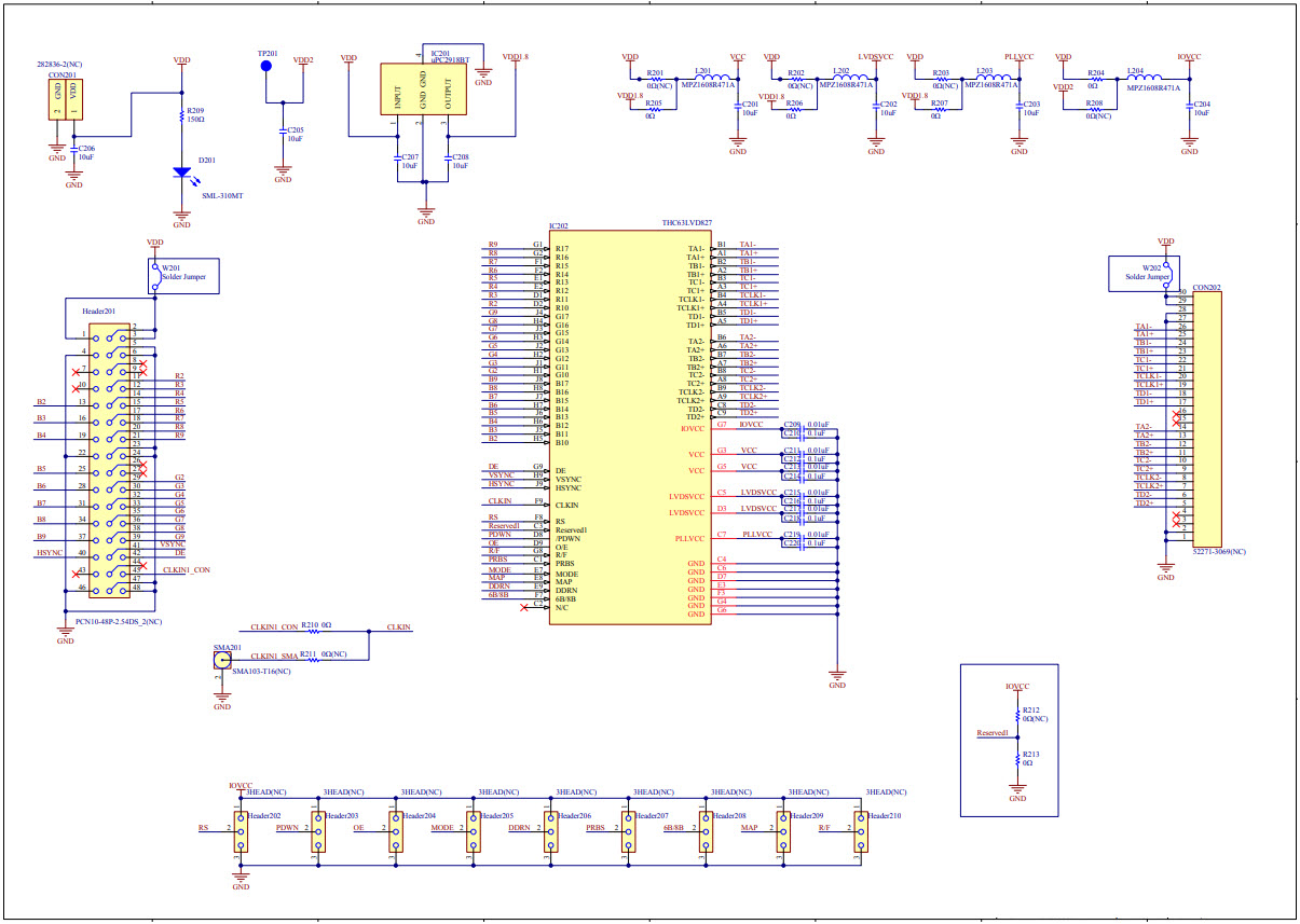
CEL THEVA827EVAL BOARD FOR THC63LVD827
The California Eastern Laboratories THEVA827-THEVA827, THC63LVD827(-Q) LVDS Dual Link Evaluation Kit is designed for transmission of video data, video, and imaging applications. It is a complete evaluation kit that includes two THEVA827-THEVA827, THC63LVD827(-Q) LVDS Dual Link Transceivers, two evaluation boards, and two cables. The transceivers are designed to support high-speed data rates up to 2.5 Gbps and are ideal for applications such as digital video, imaging, and high-speed data transmission. The evaluation boards provide a convenient platform for testing and evaluating the transceivers, and the cables allow for easy connection to other devices. The kit is a great tool for engineers and designers looking to evaluate and develop high-speed data transmission applications.
- TypeParameter
- Factory Lead Time10 Weeks
- SeriesTHine®
- Part StatusActive
- Moisture Sensitivity Level (MSL)1 (Unlimited)
- TypeInterface
- FunctionLVDS, Transmitter
- Utilized IC / PartTHC63LVD827
- Supplied ContentsBoard(s)
- Primary AttributesTransmitter
- Secondary AttributesOn-Board LEDs
- RoHS StatusROHS3 Compliant
| Part Number | Manufacturer | Description | Stock | RFQ |
|---|---|---|---|---|
| Microchip Technology | Clock Fanout Buffer 3-OUT 16-Pin MLF EP T/R | 347 | BUY |


Product
Brand
Articles
Tools











