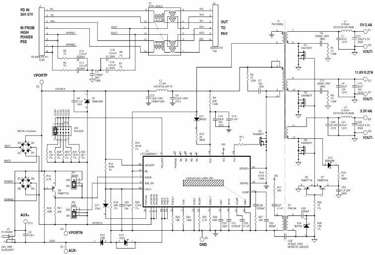
Linear Technology/Analog Devices DC1080ALTC4268 HIGH POWER PD WITH SYNCH
The Analog Devices DC1080A-A, DC1080A, LTC4268 Demo Board is a high power PD with synchronous no-opto flyback controller and power management IC. It is designed to provide a complete solution for high power applications, such as LED lighting, industrial motor control, and power supplies. The board features a wide input voltage range of 4.5V to 60V, and can deliver up to 10A of output current. It also includes a wide range of protection features, such as over-voltage, over-current, and short-circuit protection. The board also includes a synchronous no-opto flyback controller, which allows for efficient power conversion and improved system reliability. The board is also designed to be easy to use, with a simple user interface and intuitive graphical user interface.
- TypeParameter
- Factory Lead Time8 Weeks
- Part StatusActive
- Moisture Sensitivity Level (MSL)1 (Unlimited)
- TypePower Management
- FunctionPower over Ethernet (PoE)
- Utilized IC / PartLTC4268-1
- Supplied ContentsBoard(s)
- RoHS StatusROHS3 Compliant


Product
Brand
Articles
Tools







