Linear Technology/Analog Devices DC1814A-BBOARD EVAL FOR LTC4274A-2
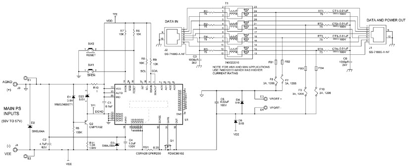
The Analog Devices DC1814A-B Demo Board is a versatile power management solution for Ethernet-based applications. It is equipped with the LTC4274A-2, a 52.7W single LTPoE++ PSE controller, which provides a high-efficiency, low-cost solution for powering Ethernet-based devices. The board features a wide range of features, including a wide input voltage range, adjustable output voltage, and adjustable current limit. It also includes a variety of protection features, such as over-voltage, over-current, and short-circuit protection. The board is designed to be used with a variety of Ethernet-based devices, including PoE-enabled cameras, access points, and switches. The board is also compatible with a variety of PoE standards, including IEEE 802.3af, IEEE 802.3at, and IEEE 802.3bt.
- TypeParameter
- Lifecycle StatusPRODUCTION (Last Updated: 3 months ago)
- Factory Lead Time8 Weeks
- Number of Pins0
- Published2013
- Part StatusActive
- Moisture Sensitivity Level (MSL)1 (Unlimited)
- TypePower Management
- Base Part NumberLTC4274
- FunctionPower over Ethernet (PoE)
- Operating Supply Voltage57V
- Utilized IC / PartLTC4274A-2
- Supplied ContentsBoard(s)
- Evaluation KitYes
- EmbeddedNo
- FeaturesI2C
- REACH SVHCNo SVHC
- RoHS StatusROHS3 Compliant


Product
Brand
Articles
Tools
















