Linear Technology/Analog Devices DC1402A-BBOARD EVAL FOR LTC3577EUFF
Description
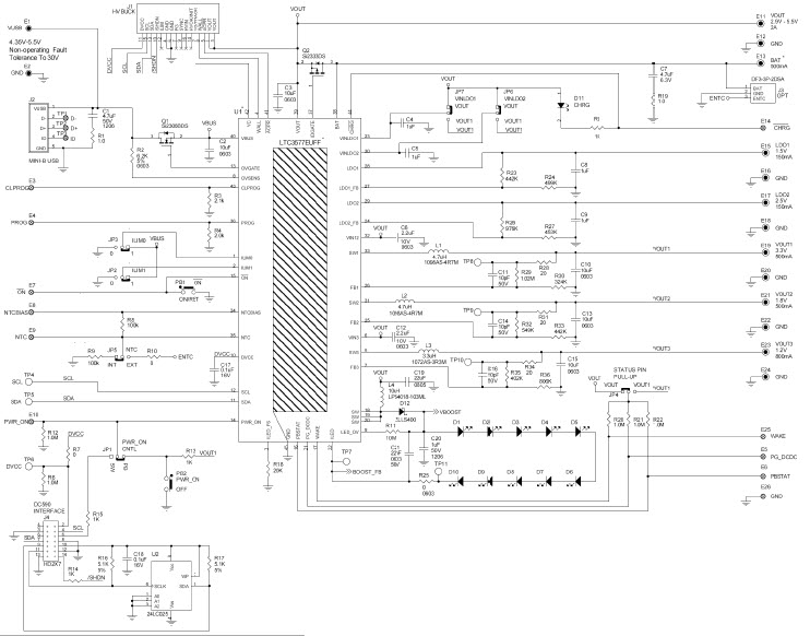
The Analog Devices DC1402A-B, LTC3577EUFF-1 Demo Board is a highly integrated portable PMIC (Power Management IC) designed for consumer electronics. It features a wide range of power management functions, including voltage regulation, current regulation, and power sequencing. It also includes a wide range of protection features, such as over-voltage, over-current, and short-circuit protection. The board is designed to be used in a variety of applications, including mobile phones, tablets, and other consumer electronics. It is also designed to be easy to use, with a simple user interface and intuitive controls. The board is also highly efficient, with low power consumption and high efficiency.
Specifications
Linear Technology/Analog Devices technical specifications, attributes, parameters and parts with similar specifications to Linear Technology/Analog Devices .
- TypeParameter
- Lifecycle StatusPRODUCTION (Last Updated: 3 weeks ago)
- Factory Lead Time8 Weeks
- Number of Pins0
- Published2009
- Part StatusActive
- Moisture Sensitivity Level (MSL)1 (Unlimited)
- TypePower Management
- Base Part NumberLTC3577
- FunctionSpecial Purpose: Mobiles
- Utilized IC / PartLTC3577-1
- Supplied ContentsBoard(s)
- Evaluation KitYes
- Primary Attributes6-Channel (Hex)
- EmbeddedNo
- Secondary AttributesGraphical User Interface
- RoHS StatusROHS3 Compliant
0 Similar Products Remaining
Technical Documents


Product
Brand
Articles
Tools









