Linear Technology/Analog Devices DC1592A-BBOARD EVAL FOR LTC3577EUFF
Description
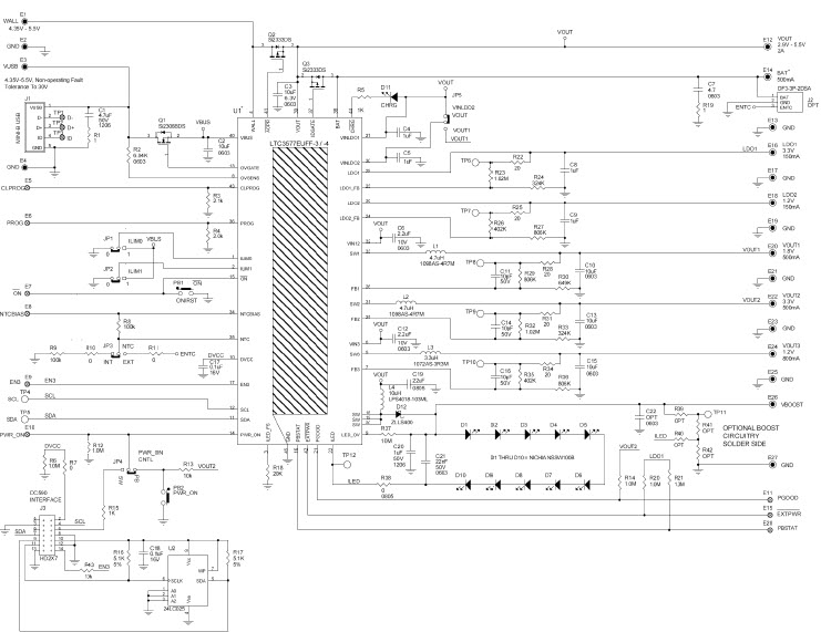
The Analog Devices DC1592A-B, LTC3577EUFF-4 Demo Board is a highly integrated portable navigation PMIC (Power Management IC) designed for consumer electronics. It features a wide range of power management functions, including voltage regulation, current regulation, and power sequencing. It also includes a low-noise, low-dropout linear regulator, a high-efficiency buck converter, and a low-noise, low-dropout buck-boost converter. The board also includes a wide range of protection features, such as over-voltage, over-current, and short-circuit protection. This board is ideal for applications such as portable navigation systems, consumer electronics, and automotive applications.
Specifications
Linear Technology/Analog Devices technical specifications, attributes, parameters and parts with similar specifications to Linear Technology/Analog Devices .
- TypeParameter
- Factory Lead Time8 Weeks
- Published2015
- Part StatusActive
- Moisture Sensitivity Level (MSL)1 (Unlimited)
- TypePower Management
- Base Part NumberLTC3577
- FunctionSpecial Purpose: Mobiles
- Utilized IC / PartLTC3577-4
- Supplied ContentsBoard(s)
- EmbeddedNo
- RoHS StatusROHS3 Compliant
0 Similar Products Remaining
Technical Documents
Associated Products
| Part Number | Manufacturer | Description | Stock | RFQ |
|---|---|---|---|---|
| Analog Devices, Inc. | LTC3418 - 8A, 4MHz, Monolithic Synchronous Step-Down Regulato | 0 | RFQ |


Product
Brand
Articles
Tools










