Linear Technology/Analog Devices DC1786ABOARD DEMO LTC2871
Description
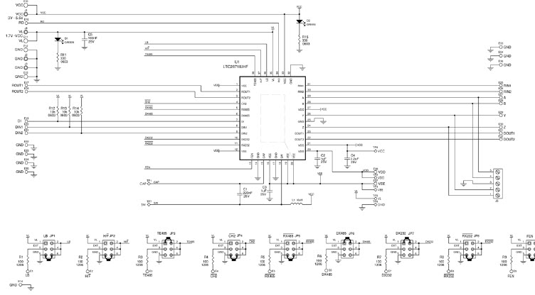
The Analog Devices DC1786A-A, DC1786A Demo Board is a versatile and powerful tool for evaluating the LTC2871 RS232/RS485 Multiprotocol Transceiver with Integrated Termination, Wireless Charging, and Isolation. This demo board features a wide range of features, including a USB-to-serial port, a wireless charging coil, and an isolated power supply. The board also includes a variety of connectors and jumpers for easy connection to external devices. The board is designed to provide a comprehensive evaluation platform for the LTC2871, allowing users to quickly and easily test the device's performance and features. The board also includes a variety of software tools and documentation to help users get the most out of their evaluation.
Specifications
Linear Technology/Analog Devices technical specifications, attributes, parameters and parts with similar specifications to Linear Technology/Analog Devices .
- TypeParameter
- Lifecycle StatusPRODUCTION (Last Updated: 3 weeks ago)
- Factory Lead Time8 Weeks
- MountTermination
- Number of Pins0
- Published2011
- Part StatusActive
- Moisture Sensitivity Level (MSL)1 (Unlimited)
- TypeInterface
- Base Part NumberLTC2871
- FunctionTransceiver, RS-232, RS-485
- Operating Supply Voltage5.5V
- Utilized IC / PartLTC2871
- Supplied ContentsBoard(s)
- Evaluation KitYes
- Primary Attributes3 Drivers, 3 Receivers
- EmbeddedNo
- Secondary Attributes3V ~ 5.5V Supply
- Length43mm
- REACH SVHCNo SVHC
- RoHS StatusROHS3 Compliant
0 Similar Products Remaining
Technical Documents


Product
Brand
Articles
Tools









