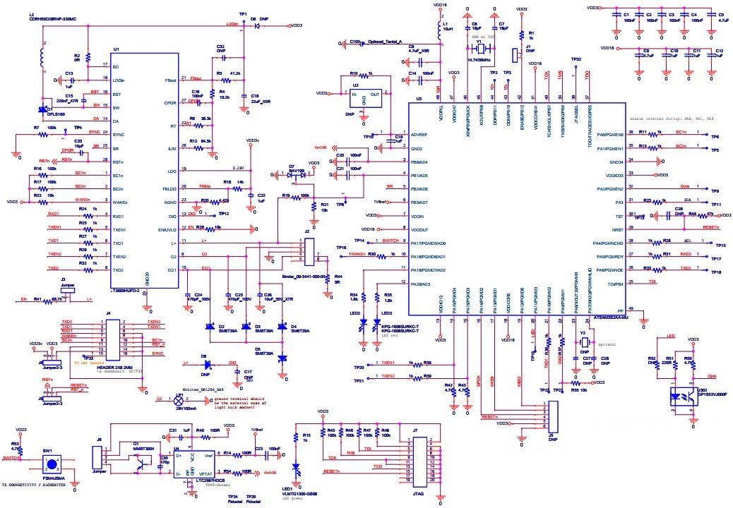
Linear Technology/Analog Devices DC2227ADEMO BOARD FOR LT3669-2
The Analog Devices DC2227A-A, DC2227A, IO-Link Device Reference Design is a comprehensive solution for industrial automation applications. It includes the LT3669-2 Temperature Sensor, Light Sensor, Incandescent Lamp, and Device Protocol Stack for IO-Link v1.1, Industrial Ethernet, and Modbus RTU. The reference design provides a complete system for monitoring and controlling temperature, light, and other environmental conditions in industrial settings. The LT3669-2 Temperature Sensor is a high-accuracy, low-power, digital temperature sensor with a wide temperature range. The Light Sensor is a low-power, digital light sensor with a wide range of light levels. The Incandescent Lamp is a low-power, digital lamp with a wide range of brightness levels. The Device Protocol Stack for IO-Link v1.1, Industrial Ethernet, and Modbus RTU provides a comprehensive set of communication protocols for connecting the device to a variety of industrial automation systems. The reference design is a complete solution for industrial automation applications, providing a reliable, cost-effective, and easy-to-use system for monitoring and controlling temperature, light, and other environmental conditions.
- TypeParameter
- Lifecycle StatusPRODUCTION (Last Updated: 3 weeks ago)
- Factory Lead Time8 Weeks
- Number of Pins0
- Published2015
- Part StatusActive
- Moisture Sensitivity Level (MSL)1 (Unlimited)
- TypeInterface
- Base Part NumberLT3669
- FunctionTransceiver, IO-Link®
- Utilized IC / PartLT3669-2
- Supplied ContentsBoard(s)
- Evaluation KitYes
- EmbeddedYes, MCU, 8-Bit
- Secondary AttributesGraphical User Interface
- RoHS StatusROHS3 Compliant
| Part Number | Manufacturer | Description | Stock | RFQ |
|---|---|---|---|---|
| Microchip Technology | MCU 32-bit SAM3S ARM Cortex M3 RISC 128KB Flash 1.8V/3.3V 48-Pin QFN EP | 57 | RFQ |


Product
Brand
Articles
Tools











