Maxim Integrated MAX14828EVKIT#EVAL MAX14828 IO-LINK TXRX
Description
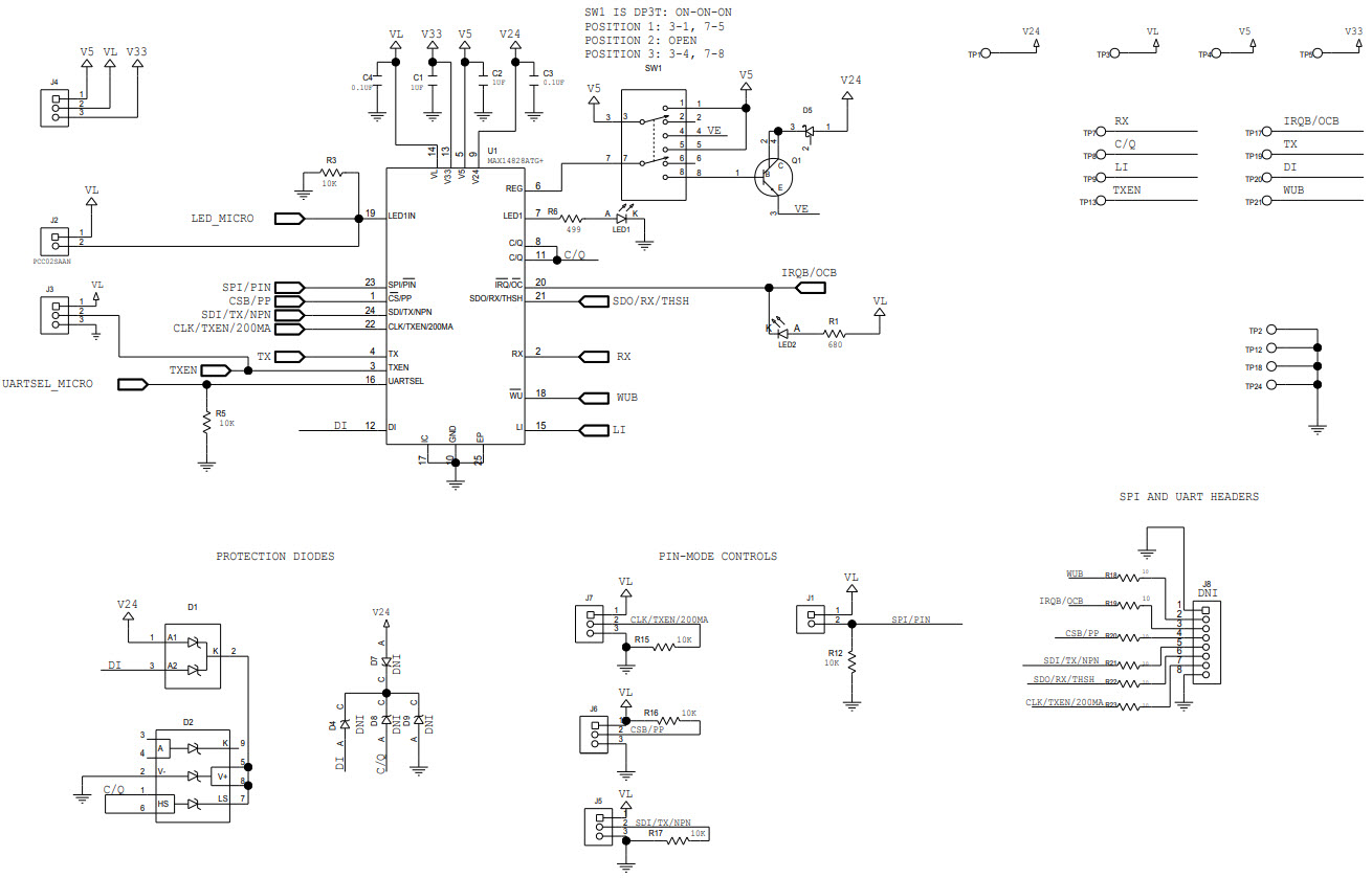
The MAX14828EVKIT-EVKIT# is an evaluation kit for the MAX14828 low-power, ultra-small IO-Link device transceiver. This device is designed for industrial automation applications and provides a reliable, low-power solution for connecting IO-Link devices. The kit includes a MAX14828EVKIT# board, a MAX14828EVKIT# daughter board, and a USB cable. The board features a USB-to-serial converter, a MAX14828 transceiver, and a MAX14828EVKIT# daughter board with a MAX14828EVKIT# connector. The board also includes a MAX14828EVKIT# software package for configuring the device. The MAX14828EVKIT# is a great tool for evaluating the performance of the MAX14828 device in industrial automation applications.
Specifications
Maxim Integrated technical specifications, attributes, parameters and parts with similar specifications to Maxim Integrated .
- TypeParameter
- Factory Lead Time6 Weeks
- Published2018
- Part StatusActive
- Moisture Sensitivity Level (MSL)1 (Unlimited)
- TypeInterface
- FunctionTransceiver, IO-Link®
- Utilized IC / PartMAX14828
- Supplied ContentsBoard(s)
- Secondary AttributesGraphical User Interface
- RoHS StatusROHS3 Compliant
0 Similar Products Remaining
Technical Documents
Associated Products
| Part Number | Manufacturer | Description | Stock | RFQ |
|---|---|---|---|---|
| Microchip Technology | MICROCHIP 93LC66BT-I/OT EEPROM, Microwire, 4 Kbit, 256 x 16bit, 2 MHz, Serial Microwire, SOT-23, 6 Pins | 5000 | RFQ | |
| CTS Electrocomponents | Switch DIP ON OFF SPST 7 Extended Slide 0.1A 20VDC J-Bend SMD Tube | 21 | BUY | |
| Abracon LLC | Crystals 12.0MHz 20ppm 18pF -40C 85C | 5000 | RFQ | |
| FTDI, Future Technology Devices International Ltd | IC USB HS DUAL UART/FIFO 64-LQFP | 11 | RFQ | |
| FTDI, Future Technology Devices International Ltd | IC USB HS DUAL UART/FIFO 64-LQFP | 5000 | BUY |


Product
Brand
Articles
Tools
















