Maxim Integrated MAX14820EVKIT#Interface Development Tools MAX14820/21 EVAL KIT
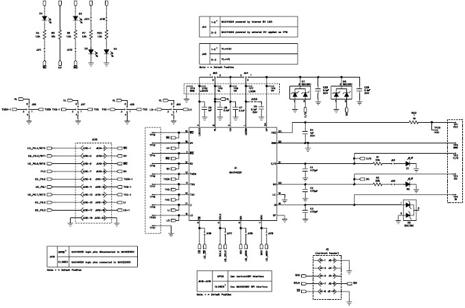
The Maxim Integrated MAX14820EVKIT-EVKIT# is an evaluation kit for the MAX14820 IO-Link-Compliant Device Transceiver, designed for industrial automation applications. This kit includes a MAX14820EVKIT# board, a MAX14820EVKIT# daughter board, and a MAX14820EVKIT# cable. The MAX14820EVKIT# board is a full-featured IO-Link-compliant device transceiver, providing a complete IO-Link-compliant solution for industrial automation applications. The MAX14820EVKIT# daughter board provides a convenient way to connect the MAX14820EVKIT# board to a host system. The MAX14820EVKIT# cable provides a connection between the MAX14820EVKIT# board and the MAX14820EVKIT# daughter board. This evaluation kit is designed to help engineers quickly evaluate the performance of the MAX14820 IO-Link-Compliant Device Transceiver and develop their own IO-Link-compliant applications.
- TypeParameter
- Factory Lead Time6 Weeks
- PackagingBulk
- Published2013
- Part StatusActive
- Moisture Sensitivity Level (MSL)1 (Unlimited)
- TypeInterface
- Base Part NumberMAX14820
- FunctionTransceiver, IO-Link®
- Operating Supply Voltage24V
- InterfaceUSB
- Operating Supply Current100mA
- Max Input Voltage24V
- Utilized IC / PartMAX14820
- Supplied ContentsBoard(s), Cable(s)
- Evaluation KitYes
- Primary AttributesIO and SPI Interface Terminals
- EmbeddedYes, MCU, 16-Bit
- Secondary AttributesGraphical User Interface
- Height30mm
- Length297mm
- Width210mm
- RoHS StatusROHS3 Compliant
| Part Number | Manufacturer | Description | Stock | RFQ |
|---|---|---|---|---|
| Maxim Integrated | IC REG BOOST ADJ/PROG 0.2A 8UMAX | 74 | RFQ | |
| Maxim Integrated | LDO Regulator Pos 1.25V to 5V5V 1A 16-Pin TSSOP EP | 667 | RFQ |


Product
Brand
Articles
Tools














