Linear Technology/Analog Devices DC2428ALTC2975 DEMO BOARD SET - LTM4644
Description
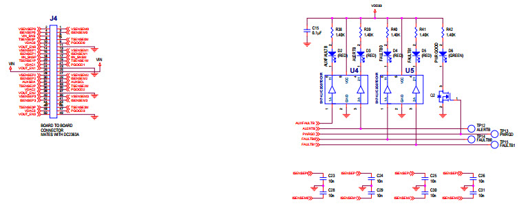
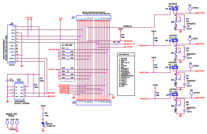
The Analog Devices DC2428A-A, DC2428A Demo Board for LTC2975 4-Channel PMBUs Power System Manager with LTM4644 Quad 4A Power Supply, Power Management Board is a versatile and powerful solution for managing power in a variety of applications. This board features four independent power supplies, each capable of delivering up to 4A of current, and a LTC2975 PMBus power system manager for monitoring and controlling the power supplies. The board also includes a variety of connectors and headers for connecting to external components, as well as a USB interface for programming and debugging. This board is ideal for applications requiring precise power management, such as industrial automation, medical devices, and automotive systems.
Specifications
Linear Technology/Analog Devices technical specifications, attributes, parameters and parts with similar specifications to Linear Technology/Analog Devices .
- TypeParameter
- Factory Lead Time8 Weeks
- Part StatusActive
- Moisture Sensitivity Level (MSL)1 (Unlimited)
- TypePower Management
- FunctionDigital Power Controller
- Utilized IC / PartLTC2975, LTM4644
- Supplied ContentsBoard(s)
- Primary Attributes4-Channel (Quad)
- EmbeddedNo
- RoHS StatusROHS3 Compliant
0 Similar Products Remaining
Technical Documents
Associated Products
| Part Number | Manufacturer | Description | Stock | RFQ |
|---|---|---|---|---|
| Abracon LLC | CRYSTAL 12.0000MHZ 18PF SMD | 1620 | BUY | |
| ON Semiconductor | MUX/DEMUX QUAD 2:1 TTL 16TSSOP | 0 | BUY | |
| Microchip Technology | IC EEPROM 1K SPI 3MHZ 8TSSOP | 1 | BUY |


Product
Brand
Articles
Tools























