Linear Technology/Analog Devices DC393ALTC1564CG - DIGITALLY PROGRAMMAB
The Analog Devices DC393A-A, DC393A, Demo Board Digitally Programmable Amplifier and Filter, Audio Processor is a powerful and versatile audio processor designed to provide high-quality sound for a variety of applications. It features a digitally programmable amplifier and filter, allowing users to customize their audio experience. The board also includes a variety of audio processing features, such as a low-noise pre-amplifier, a low-distortion filter, and a high-performance digital-to-analog converter. The board is designed to be easy to use and provides a wide range of audio processing capabilities. With its robust design and powerful features, the DC393A-A, DC393A, Demo Board Digitally Programmable Amplifier and Filter, Audio Processor is an ideal choice for any audio enthusiast.
- TypeParameter
- Part StatusObsolete
- Moisture Sensitivity Level (MSL)1 (Unlimited)
- TypeFilter
- FunctionLow Pass
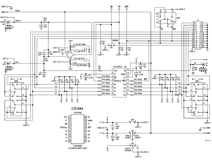
- Utilized IC / PartLTC1564
- Supplied ContentsBoard(s)


Product
Brand
Articles
Tools







