Maxim Integrated MAX16813EVKIT#LED Lighting Development Tools EVAL KIT FOR MAX16813
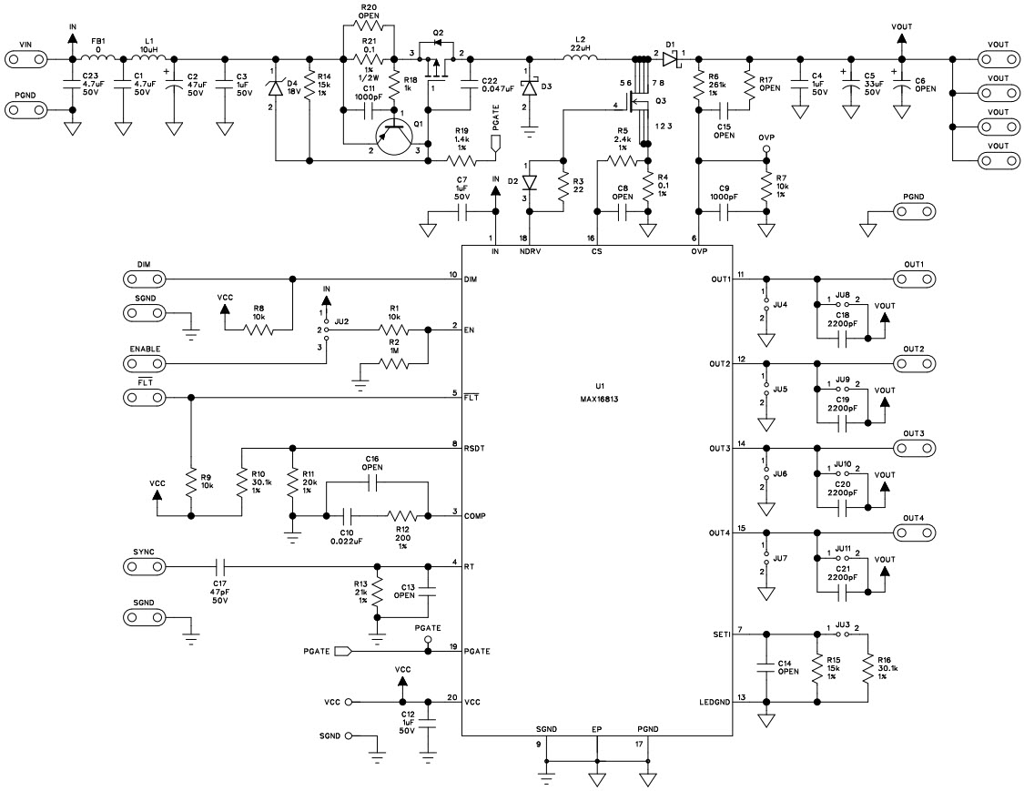
The MAX16813EVKIT-EVKIT# is an evaluation kit for the MAX16813 Integrated, 4-Channel, High-Brightness LED Driver with High-Voltage DC-DC Controller, Lighting Control IC. This kit provides a complete platform for evaluating the features and performance of the MAX16813 IC. It includes a MAX16813 evaluation board, a MAX16813 evaluation board power supply, a MAX16813 evaluation board programming cable, and a MAX16813 evaluation board software. The evaluation board is designed to drive up to four high-brightness LEDs with a wide range of dimming and color control options. The board also includes a high-voltage DC-DC controller to provide a regulated output voltage for the LEDs. The evaluation board software allows users to easily configure the MAX16813 IC and monitor its performance. The MAX16813EVKIT-EVKIT# is an ideal solution for evaluating the features and performance of the MAX16813 IC.
- TypeParameter
- Factory Lead Time6 Weeks
- Voltage-Input6.5V~40V
- PackagingBox
- Published2013
- Part StatusActive
- Moisture Sensitivity Level (MSL)1 (Unlimited)
- Output Current150mA
- Utilized IC / PartMAX16813
- Supplied ContentsBoard(s)
- Outputs and Type4, Non-Isolated
- FeaturesShort-Circuit Protection
- RoHS StatusROHS3 Compliant


Product
Brand
Articles
Tools








