Maxim Integrated MAX16826EVKIT+EVAL KIT MAX16826 (PROGRAMMABLE,
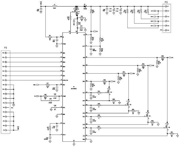
The Maxim Integrated MAX16826EVKIT+ is an evaluation kit for the MAX16826 16.8W, 28-LEDs High Brightness LED Driver for Automotive Lighting. This kit is designed to help engineers evaluate the performance of the MAX16826 LED driver in automotive and transportation applications. It includes a MAX16826 evaluation board, a MAX16826EVKIT+ software package, and a USB cable for connecting the board to a PC. The evaluation board features a wide input voltage range of 4.5V to 40V, adjustable output current up to 1.2A, and a wide dimming range of 0.1% to 100%. The MAX16826EVKIT+ software package provides a graphical user interface for configuring the MAX16826 LED driver and monitoring its performance. This evaluation kit is an ideal solution for automotive and transportation applications that require high brightness LED lighting.
- TypeParameter
- Factory Lead Time6 Weeks
- PackagingBox
- Published2014
- Part StatusActive
- Moisture Sensitivity Level (MSL)1 (Unlimited)
- Evaluation KitYes
- Radiation HardeningNo
- RoHS StatusNon-RoHS Compliant
| Part Number | Manufacturer | Description | Stock | RFQ |
|---|---|---|---|---|
| Maxim Integrated | IC SW MOSFET PUR PCH HSIDE 8SOIC | 1400 | RFQ | |
| Maxim Integrated | LDO Voltage Regulators 120mA Linear Regulator | 43 | BUY | |
| Maxim Integrated | IC REG LINEAR 3.3V 120MA SC70-5 | 6180 | BUY |


Product
Brand
Articles
Tools















