STMicroelectronics STEVAL-ILL009V4BOARD EVAL OSRAM DRAGON LED MOD
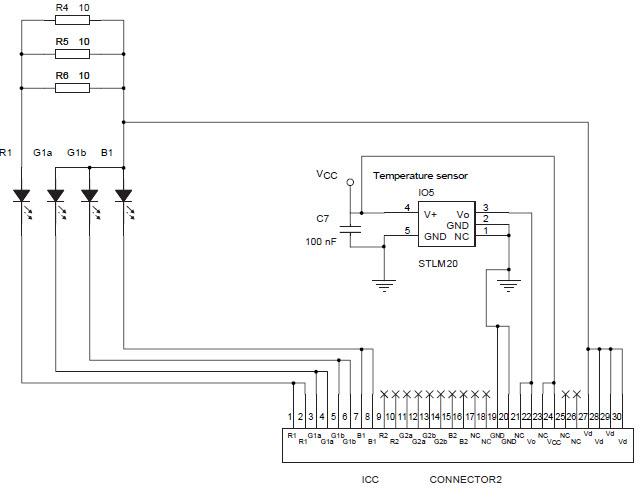
The STMicroelectronics STEVAL-ILL009V4 OSRAM Golden DRAGON LEDs board is a versatile automotive and transportation solution designed to provide reliable and efficient lighting for a variety of applications. The board features four OSRAM Golden DRAGON LEDs, which are designed to provide high-quality illumination with a wide range of colors and brightness levels. The board also includes a power supply, a current regulator, and a temperature sensor, allowing for precise control of the lighting system. The board is designed to be used in a variety of automotive and transportation applications, including interior and exterior lighting, signal lighting, and emergency lighting. The board is also designed to be easy to install and maintain, making it an ideal solution for automotive and transportation lighting needs.
- TypeParameter
- Package / CaseModule
- SeriesDragon
- Part StatusObsolete
- Moisture Sensitivity Level (MSL)1 (Unlimited)
- Operating Supply Voltage30V
- Accessory TypeLED Board
- Evaluation KitYes
- Radiation HardeningNo
- RoHS StatusROHS3 Compliant
- Lead FreeContains Lead
| Part Number | Manufacturer | Description | Stock | RFQ |
|---|---|---|---|---|
| EAO | EAO - 09.10290.01 - Slide Switch, SPDT-CO, On, 1K2 Series, 500 mA | 1088 | BUY |


Product
Brand
Articles
Tools












