Maxim Integrated MAX25611EVKIT#EVAL MAX25611 LED CONT
Description
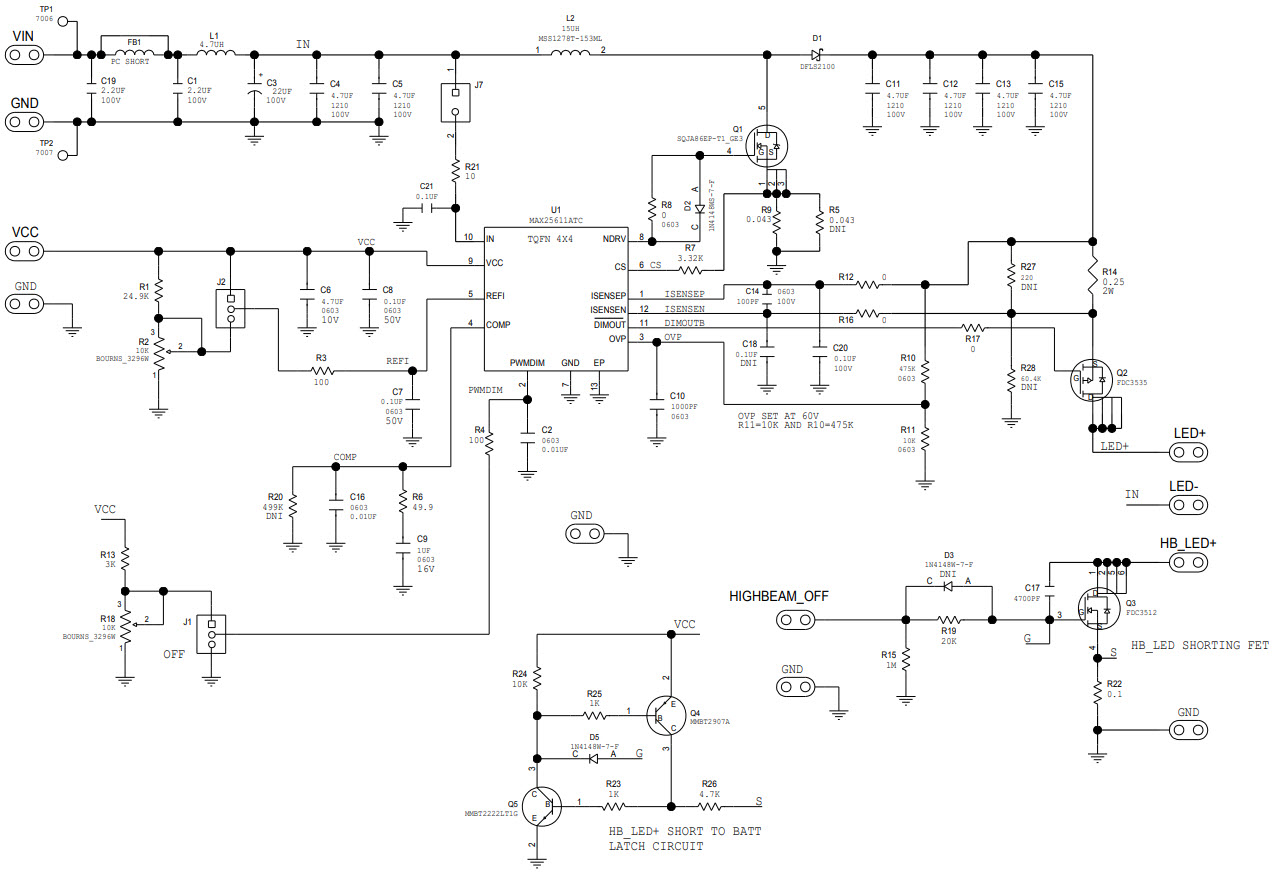
The MAX25611EVKIT-EVKIT# is an evaluation kit for the MAX25611C Automotive High-Voltage, HB-LED Controller, Lighting Driver. This kit includes a MAX25611C device, a MAX25611EVKIT# board, and a MAX25611EVKIT# software package. The MAX25611C device is a high-voltage, HB-LED controller and lighting driver that is designed for automotive applications. The MAX25611EVKIT# board provides a platform for evaluating the MAX25611C device and its features. The MAX25611EVKIT# software package includes a graphical user interface (GUI) for configuring the MAX25611C device and a library of example programs for controlling the device. The MAX25611EVKIT# board also includes a USB interface for connecting to a PC for programming and debugging.
Specifications
Maxim Integrated technical specifications, attributes, parameters and parts with similar specifications to Maxim Integrated .
- TypeParameter
- Factory Lead Time6 Weeks
- Voltage-Input6V~18V
- PackagingBulk
- Part StatusActive
- Moisture Sensitivity Level (MSL)1 (Unlimited)
- Voltage - Output3V~36V
- Utilized IC / PartMAX25611
- Supplied ContentsBoard(s)
- Current - Output / Channel880mA
- Outputs and Type1, Non-Isolated
- FeaturesDimmable
- RoHS StatusROHS3 Compliant
0 Similar Products Remaining
Technical Documents


Product
Brand
Articles
Tools











