Maxim Integrated MAX17049XEVKIT#EVAL KIT MAX17049(MODEL GAUGE 2-
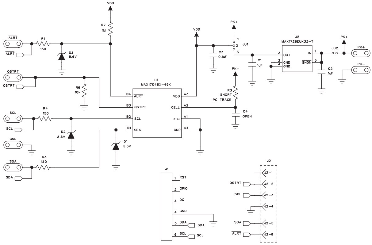
The MAX17049XEVKIT-XEVKIT# is an evaluation kit for the MAX17049X 2-Cell Fuel Gauge with ModelGauge, Video and Imaging Applications. This kit provides a complete platform for evaluating the MAX17049X fuel gauge, which is designed to accurately measure the state of charge (SOC) of two-cell Li-ion batteries. The kit includes a MAX17049X evaluation board, a USB-to-I2C adapter, and a USB cable. The evaluation board features a MAX17049X fuel gauge, a MAX17043 fuel gauge, and a MAX17043 fuel gauge with ModelGauge m5 algorithm. The board also includes a MAX17043 fuel gauge with ModelGauge m5 algorithm, a MAX17043 fuel gauge with ModelGauge m5 algorithm, and a MAX17043 fuel gauge with ModelGauge m5 algorithm. The kit also includes a MAX17043 fuel gauge with ModelGauge m5 algorithm, a MAX17043 fuel gauge with ModelGauge m5 algorithm, and a MAX17043 fuel gauge with ModelGauge m5 algorithm. The kit also includes a MAX17043 fuel gauge with ModelGauge m5 algorithm, a MAX17043 fuel gauge with ModelGauge m5 algorithm, and a MAX17043 fuel gauge with ModelGauge m5 algorithm. The kit also includes a MAX17043 fuel gauge with ModelGauge m5 algorithm, a MAX17043 fuel gauge with ModelGauge m5 algorithm, and a MAX17043 fuel gauge with ModelGauge m5 algorithm. The kit also includes a MAX17043 fuel gauge with ModelGauge m5 algorithm, a MAX17043 fuel gauge with ModelGauge m5 algorithm, and a MAX17043 fuel gauge with ModelGauge m5 algorithm. The kit also includes a MAX
- TypeParameter
- Part StatusActive
- Moisture Sensitivity Level (MSL)1 (Unlimited)
- RoHS StatusNon-RoHS Compliant
| Part Number | Manufacturer | Description | Stock | RFQ |
|---|---|---|---|---|
| Maxim Integrated | 0 | RFQ |


Product
Brand
Articles
Tools






