Maxim Integrated MAX17302XEVKIT#EVAL MAX17302 MODELGAUGE
Applications:
Battery Management >
Battery Cell Fuel Gauging
End Products:
Video and ImagingHome AutomationSmart WatchSmart BatteriesHandheld ElectronicsVideo CameraDigital Still CameraMedical DevicesWearable ElectronicsBuilding AutomationTwo-Way RadioSmart PhoneLaptopTabletAction CamerasHealthcare Monitoring
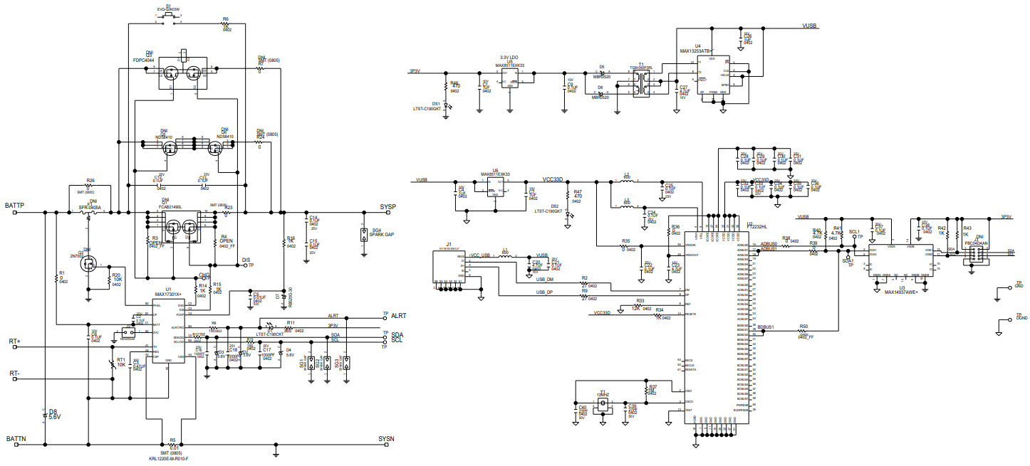
The MAX17302XEVKIT-XEVKIT# is an evaluation kit for the MAX17302X 1-Cell Model Gauge m5 EZ Fuel Gauge with Protector and SHA-256 Authentication, Video and Imaging Solutions. This kit provides a complete platform for evaluating the MAX17302X 1-Cell Model Gauge m5 EZ Fuel Gauge with Protector and SHA-256 Authentication, Video and Imaging Solutions. The kit includes a MAX17302X 1-Cell Model Gauge m5 EZ Fuel Gauge with Protector and SHA-256 Authentication, Video and Imaging Solutions, a MAX17302XEVKIT# board, a USB cable, and a software package. The MAX17302XEVKIT# board provides a convenient platform for evaluating the MAX17302X 1-Cell Model Gauge m5 EZ Fuel Gauge with Protector and SHA-256 Authentication, Video and Imaging Solutions. The board includes a USB port for connecting to a PC, a power supply, and a set of test points for connecting to the MAX17302X 1-Cell Model Gauge m5 EZ Fuel Gauge with Protector and SHA-256 Authentication, Video and Imaging Solutions. The software package includes a GUI for configuring and monitoring the MAX17302X 1-Cell Model Gauge m5 EZ Fuel Gauge with Protector and SHA-256 Authentication, Video and Imaging Solutions. The MAX17302XEVKIT-XEVKIT# is an ideal platform for evaluating the MAX17302X 1-Cell Model Gauge m5 EZ Fuel Gauge with Protector and SHA-256 Authentication, Video and Imaging Solutions.
- TypeParameter
- Factory Lead Time6 Weeks
- SeriesModelGauge™
- Part StatusActive
- Moisture Sensitivity Level (MSL)1 (Unlimited)
- TypePower Management
- FunctionFuel Gauge
- Utilized IC / PartMAX17302
- Supplied ContentsBoard(s), Cable(s)
- Primary AttributesLi-Ion (1 Cell)
- Secondary AttributesGraphical User Interface
- RoHS StatusROHS3 Compliant
| Part Number | Manufacturer | Description | Stock | RFQ |
|---|---|---|---|---|
| TXC Corporation | CRYSTAL 12.0000MHZ 18PF SMD | 98 | BUY | |
| FTDI, Future Technology Devices International Ltd | IC USB HS DUAL UART/FIFO 64-LQFP | 5365 | BUY | |
| FTDI, Future Technology Devices International Ltd | IC USB HS DUAL UART/FIFO 64-LQFP | 0 | RFQ |


Product
Brand
Articles
Tools









