Maxim Integrated MAX17270EVKIT#EVKIT FOR NANOPOWER TRIPLE/DUAL-
Description
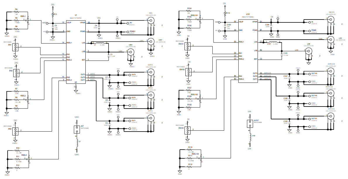
The MAX17270EVKIT-EVKIT# is an evaluation kit for the MAX17270 nanoPower Triple-Output, Single-Inductor, Multiple-Output (SIMO) Buck-Boost Regulator from Maxim Integrated. This kit is designed for consumer electronics applications and provides a complete evaluation platform for the MAX17270. It includes a MAX17270 evaluation board, a USB-to-I2C interface board, and a USB cable. The evaluation board features three adjustable output voltages, a wide input voltage range, and a low quiescent current of only 1.2µA. The USB-to-I2C interface board allows for easy programming and monitoring of the MAX17270. The kit also includes a comprehensive user guide and software for easy setup and evaluation.
Specifications
Maxim Integrated technical specifications, attributes, parameters and parts with similar specifications to Maxim Integrated .
- TypeParameter
- Factory Lead Time6 Weeks
- Voltage-Input2.7V~5.5V
- Part StatusActive
- Moisture Sensitivity Level (MSL)1 (Unlimited)
- Current - Output80mA
- Voltage - Output0.8V~5V
- Utilized IC / PartMAX17270
- Supplied ContentsBoard(s)
- Board TypeFully Populated
- Main PurposeDC/DC, Step Up or Down
- Outputs and Type3, Non-Isolated
- Regulator TopologyBuck-Boost
0 Similar Products Remaining
Technical Documents


Product
Brand
Articles
Tools







