Maxim Integrated MAX17271EVKIT#EVAL BOARD FOR MAX17271
Description
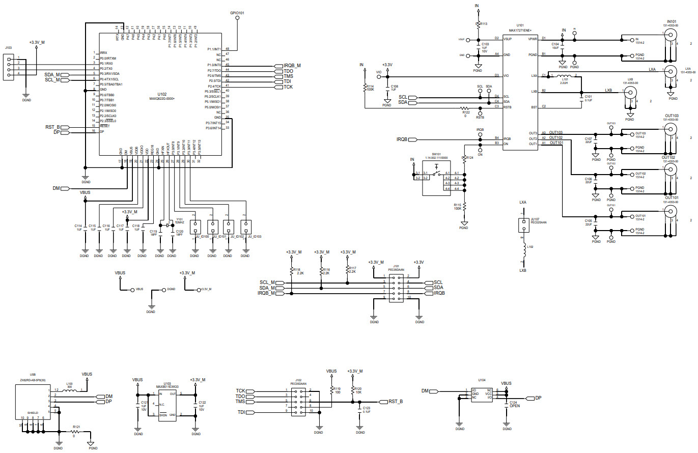
The MAX17271EVKIT-EVKIT# is an evaluation kit for the MAX17271 nanoPower Triple-Output, Single-Inductor, Multiple-Output (SIMO) Buck-Boost Regulator. This regulator is designed for consumer electronics applications and provides three regulated outputs with a single inductor. The kit includes a MAX17271EVKIT# board, a USB cable, and a power supply. The board features a MAX17271 nanoPower SIMO Buck-Boost Regulator, a USB-to-I2C interface, and a graphical user interface (GUI) for easy evaluation and configuration. The GUI allows users to adjust the output voltage, current limit, and other parameters. The kit also includes a comprehensive set of documentation, including a user guide, application notes, and design files.
Specifications
Maxim Integrated technical specifications, attributes, parameters and parts with similar specifications to Maxim Integrated .
- TypeParameter
- Factory Lead Time6 Weeks
- Part StatusActive
- Moisture Sensitivity Level (MSL)1 (Unlimited)
- Voltage - Output0.8V~5.2V
- Utilized IC / PartMAX17271
- Supplied ContentsBoard(s)
- Board TypeFully Populated
- Main PurposeDC/DC, Step Up or Down
- Outputs and Type3, Non-Isolated
- Regulator TopologyBuck-Boost
- RoHS StatusROHS3 Compliant
0 Similar Products Remaining
Technical Documents


Product
Brand
Articles
Tools









