Maxim Integrated MAX77680EVKIT#MAX77680EVKIT FOR HIGHLY INTEGRA
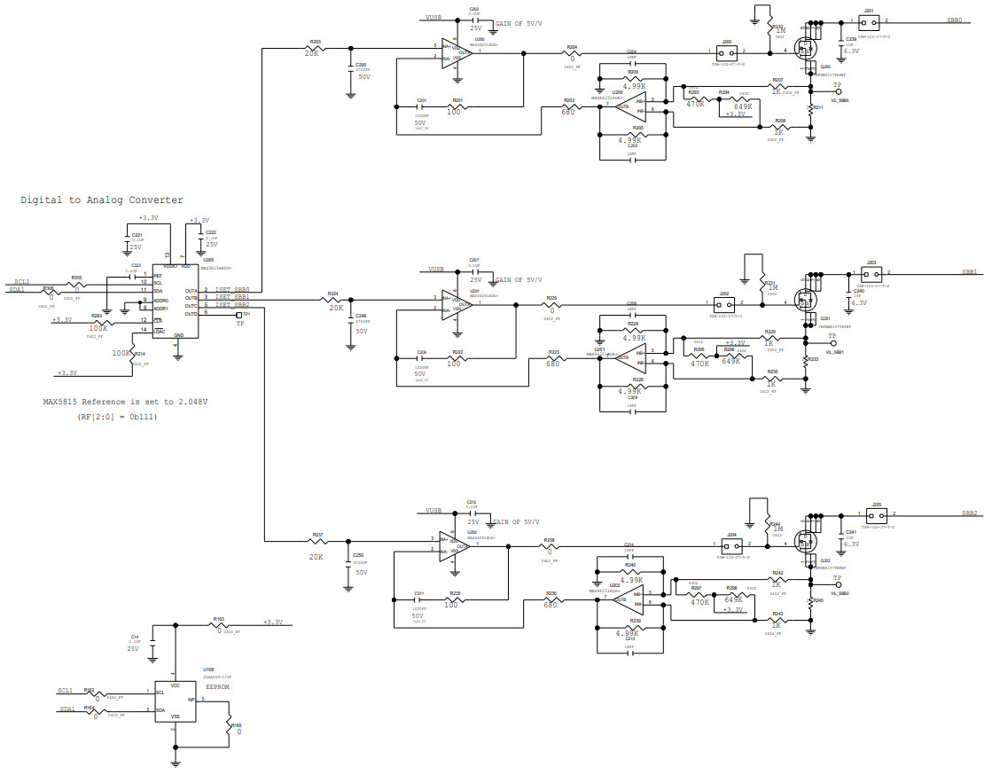
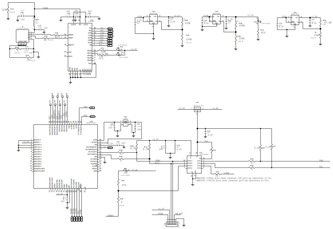
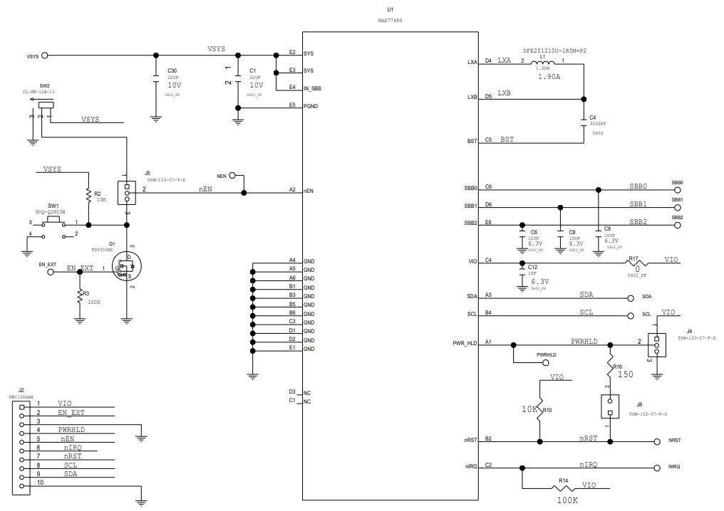
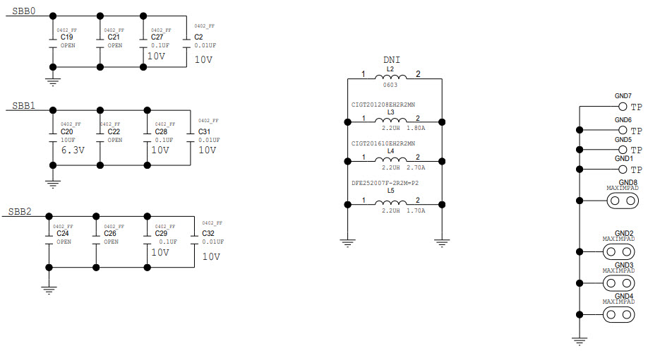
The MAX77680EVKIT-EVKIT# is an evaluation kit for the MAX77680 3-Output SIMO Buck-Boost Regulator with Power Sequencer, Video and Imaging Power Solution. This kit provides a complete platform for evaluating the MAX77680, a 3-output SIMO buck-boost regulator with power sequencer, video and imaging power solution. The kit includes a MAX77680 evaluation board, a USB-to-I2C adapter, and a power supply. The evaluation board features a 3-output SIMO buck-boost regulator, a power sequencer, and a video and imaging power solution. The USB-to-I2C adapter allows for easy communication with the MAX77680. The power supply provides the necessary power for the evaluation board. The MAX77680EVKIT-EVKIT# is an ideal solution for evaluating the MAX77680 3-output SIMO buck-boost regulator with power sequencer, video and imaging power solution.
- TypeParameter
- Factory Lead Time6 Weeks
- Voltage-Input2.7V~5.5V
- Part StatusActive
- Moisture Sensitivity Level (MSL)1 (Unlimited)
- Voltage - Output1.2V 1.8V 3.3V
- Utilized IC / PartMAX77680
- Supplied ContentsBoard(s)
- Board TypeFully Populated
- Main PurposeDC/DC, Step Up or Down
- Outputs and Type3, Non-Isolated
- Regulator TopologyBuck-Boost
| Part Number | Manufacturer | Description | Stock | RFQ |
|---|---|---|---|---|
| Kyocera International Inc. Electronic Components | Crystals AEC-Q200 16000kHz 8pF 3.2x2.5mm | 0 | RFQ | |
| Microchip Technology | MICROCHIP - 24AA02T-I/OT - EEPROM, 2 Kbit, 256 x 8bit, Serial I2C (2-Wire), 400 kHz, SOT-23, 5 Pins | 6000 | RFQ | |
| Microchip Technology | 2K 256X8 1.8V SERIAL EE IND | 3300 | RFQ | |
| FTDI, Future Technology Devices International Ltd | IC USB FS SERIAL UART 32QFN | 5000 | RFQ |


Product
Brand
Articles
Tools

























