Maxim Integrated MAX77278EVKIT#EVAL SIMO BUCK-BST MAX77278
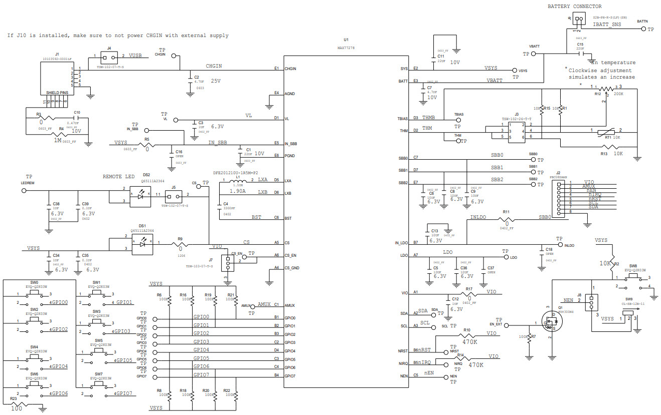
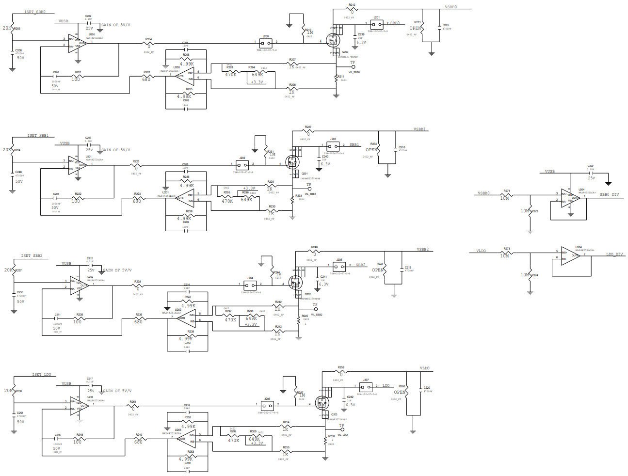
The MAX77278EVKIT-EVKIT# is an evaluation kit for the MAX77278 Ultra-Low Power PMIC with 3-Output SIMO, Power Path Charger Optimized for Small Li+, 425mA Current Sink and 8 GPIOs, Communications and Telecom Power Management. This kit provides a complete platform for evaluating the MAX77278 PMIC and its features. It includes a MAX77278 PMIC, a Li+ battery, a USB-C cable, and a USB-C power adapter. The kit also includes a set of jumpers and headers for connecting the PMIC to the evaluation board. The evaluation board features a graphical user interface (GUI) for configuring the PMIC and monitoring its performance. The GUI also allows users to program the PMIC's GPIOs and control its power management functions. The MAX77278EVKIT-EVKIT# is an ideal tool for evaluating the MAX77278 PMIC and its features.
- TypeParameter
- Factory Lead Time6 Weeks
- Part StatusActive
- Moisture Sensitivity Level (MSL)1 (Unlimited)
- TypePower Management
- FunctionSpecial Purpose: Mobiles
- Utilized IC / PartMAX77278
- Supplied ContentsBoard(s)
- Secondary AttributesGraphical User Interface
- RoHS StatusROHS3 Compliant
| Part Number | Manufacturer | Description | Stock | RFQ |
|---|---|---|---|---|
| Kyocera International Inc. Electronic Components | Crystals AEC-Q200 16000kHz 8pF 3.2x2.5mm | 0 | RFQ | |
| FTDI, Future Technology Devices International Ltd | IC USB FS SERIAL UART 32QFN | 5000 | RFQ |


Product
Brand
Articles
Tools



























