Maxim Integrated MAX9271COAXEVKIT#KIT EVAL MAX9271 COAX
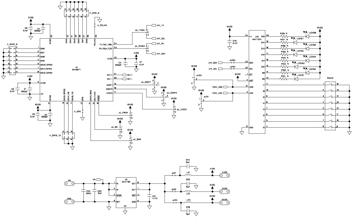
The MAX9271COAXEVKIT-COAXEVKIT# is an evaluation kit for the MAX9271 16-bit GMSL serializer with coax or STP cable drive, designed for automotive and transportation applications. The kit includes a MAX9271 evaluation board, a MAX9271-KIT-COAX-STP cable, and a USB-to-serial adapter. The MAX9271 evaluation board features a MAX9271 16-bit GMSL serializer with coax or STP cable drive, which is designed to provide high-speed data transmission over long distances. The board also includes a MAX9271-KIT-COAX-STP cable, which is designed to provide a reliable connection between the MAX9271 and the USB-to-serial adapter. The USB-to-serial adapter allows the user to connect the MAX9271 to a PC for easy configuration and testing. The MAX9271COAXEVKIT-COAXEVKIT# is an ideal solution for automotive and transportation applications that require high-speed data transmission over long distances.
- TypeParameter
- Factory Lead Time6 Weeks
- Published2016
- Part StatusActive
- Moisture Sensitivity Level (MSL)1 (Unlimited)
- TypeInterface
- FunctionSerializer
- Utilized IC / PartMAX9271
- Supplied ContentsBoard(s), Cable(s)
- Primary AttributesUSB Powered
- Secondary AttributesGraphical User Interface
- RoHS StatusROHS3 Compliant
| Part Number | Manufacturer | Description | Stock | RFQ |
|---|---|---|---|---|
| Maxim Integrated | MAXIM INTEGRATED PRODUCTS MAX1792EUA18 LIN, REG, 0.5A, /-1%, 1.8V/ADJ, 8MAX | 20 | RFQ | |
| Maxim Integrated | DS89C450 Series 64 kB Flash 1 kB RAM 33 MHz 8-Bit Microcontroller - TQFP-44 | 10006 | BUY | |
| Maxim Integrated | IC I/O EXPANDER I2C 8B 24QSOP | 100 | BUY |


Product
Brand
Articles
Tools













