Microchip Technology EVB-USB2660Networking Modules And Development Tools USB2660 Evaluation Board
Description
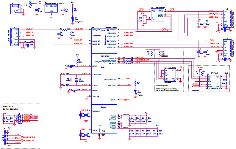
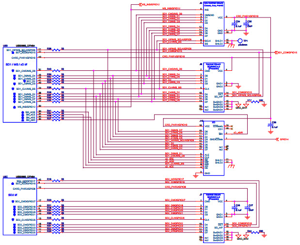
The Microchip Technology EVB-USB2660 is an evaluation board for the USB2660 USB 2.0 2-Port Hub with Ultra Fast Flash Media Controller. This board is designed to evaluate the performance of the USB2660, a high-speed USB 2.0 hub with two ports and an integrated ultra-fast flash media controller. It is ideal for consumer electronics applications such as digital cameras, camcorders, and other multimedia devices. The board features a USB 2.0 connector, two USB 2.0 ports, and a power switch. It also includes a USB 2.0 hub controller, a flash media controller, and a power supply. The board is designed to be used with the USB2660 and is compatible with Windows, Mac, and Linux operating systems.
Specifications
Microchip Technology technical specifications, attributes, parameters and parts with similar specifications to Microchip Technology .
- TypeParameter
- Factory Lead Time16 Weeks
- Published2004
- Part StatusActive
- Moisture Sensitivity Level (MSL)1 (Unlimited)
- TypeInterface
- Base Part NumberUSB2660
- FunctionUSB 2.0 Hub
- Utilized IC / PartUSB2660
- Supplied ContentsBoard(s)
- RoHS StatusROHS3 Compliant
0 Similar Products Remaining
Technical Documents
Associated Products
| Part Number | Manufacturer | Description | Stock | RFQ |
|---|---|---|---|---|
| Microchip Technology | IC INTERFACE SPECIALIZED 64QFN | 4000 | BUY | |
| Microchip Technology | 24LC04 Series 4 Kb (512 x 8) 2.5 V I2C 2 Wire Serial EEPROM -DFN-8 | 3000 | BUY | |
| Microchip Technology | IC USB2.0 FLASH MEDIA CTLR 64QFN | 5289 | RFQ | |
| Microchip | FLASH MEMORY DRIVE CONTROLLER, QCC64, 9 X 9 MM, ROHS COMPLIANT, QFN-64 | 0 | RFQ |


Product
Brand
Articles
Tools

















