Microchip Technology EVB-USB2642USB2642 USB 2.0 Flash Media Controller Evaluation Board
Description
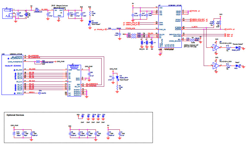
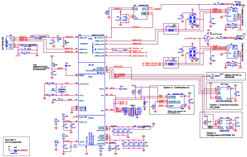
The Microchip Technology EVB-USB2642 is an evaluation board for the USB2642 USB 2.0 2-Port Hub with UCS81001 Port Power Controller/Fast Flash Media. This board is designed to evaluate the performance of the USB2642 hub and the UCS81001 port power controller. It features two USB 2.0 ports, one of which is powered by the UCS81001 port power controller. The board also includes a fast flash media interface, allowing for quick and easy data transfer. The board is compatible with a variety of operating systems, including Windows, Mac OS, and Linux. It is an ideal solution for connecting multiple USB devices to a single computer.
Specifications
Microchip Technology technical specifications, attributes, parameters and parts with similar specifications to Microchip Technology .
- TypeParameter
- PackagingTape & Reel (TR)
- Part StatusActive
- Moisture Sensitivity Level (MSL)1 (Unlimited)
- TypeInterface
- Base Part NumberUSB2642
- FunctionUSB 2.0 Hub
- Utilized IC / PartUSB2642
- Supplied ContentsBoard(s)
- RoHS StatusNon-RoHS Compliant
0 Similar Products Remaining
Technical Documents
Associated Products
| Part Number | Manufacturer | Description | Stock | RFQ |
|---|---|---|---|---|
| Microchip Technology | USB Interface IC USB 2.0 Flash Cont w/ HiSpeed USB Hub | 37 | BUY | |
| Microchip Technology | USB Interface IC USB 2.0 Flash Cont w/ HiSpeed USB Hub | 90 | BUY | |
| Microchip Technology | IC FLASH MEDIA CTLR USB2 48VQFN | 0 | RFQ | |
| Microchip Technology | Vqfn Usb 2.0 Flash Media Controller With Hispeed Usb Hub Rohs Compliant: Yes | 616 | RFQ |


Product
Brand
Articles
Tools















