Microchip Technology EVB-USB4640Interface Development Tools USB4640 Hi-Speed HSIC USB Eval BRD
Description
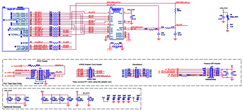
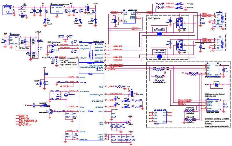
The Microchip Technology EVB-USB4640 is an evaluation board for the USB4640 HSIC 1.0 to USB 2.0 2-Port Hub with Ultra Fast Flash Media Controller. This board is designed for consumer electronics applications and provides a convenient platform for evaluating the USB4640 HSIC 1.0 to USB 2.0 2-Port Hub with Ultra Fast Flash Media Controller. The board features two USB 2.0 ports, one for the host and one for the device, as well as a USB 2.0 hub controller. It also includes a flash media controller for ultra-fast data transfer speeds. The board is designed to be used with the USB4640 HSIC 1.0 to USB 2.0 2-Port Hub with Ultra Fast Flash Media Controller and is ideal for evaluating the performance of the device.
Specifications
Microchip Technology technical specifications, attributes, parameters and parts with similar specifications to Microchip Technology .
- TypeParameter
- Factory Lead Time16 Weeks
- Part StatusActive
- Moisture Sensitivity Level (MSL)1 (Unlimited)
- TypeInterface
- Base Part NumberUSB4640
- FunctionUSB 2.0 Hub
- Utilized IC / PartUSB4640
- Supplied ContentsBoard(s)
- Evaluation KitYes
- EmbeddedNo
- RoHS StatusROHS3 Compliant
0 Similar Products Remaining
Technical Documents
Associated Products
| Part Number | Manufacturer | Description | Stock | RFQ |
|---|---|---|---|---|
| Texas Instruments | IC REG LIN POS ADJ 100MA SOT23-5 | 0 | RFQ |


Product
Brand
Articles
Tools




















