Microchip Technology EVB-USB82642Evaluation Board For USB82642 Auto-Grade USB 2.0 Hub with Battery Charging and Flash Media C
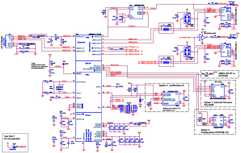
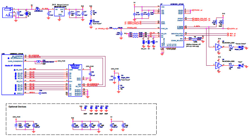
The Microchip Technology EVB-USB82642 is an evaluation board for the USB82642 Auto-Grade USB 2.0 Hub with UCS81001 Battery Charging and Flash Media Controller. This board is designed to help engineers evaluate the performance of the USB82642 hub and UCS81001 controller. It features a USB 2.0 hub with four downstream ports, a USB 2.0 upstream port, and a USB 2.0 OTG port. It also includes a UCS81001 controller for battery charging and flash media control. The board is designed to be used with the Microchip USB82642 development kit, which includes a USB 2.0 cable, a USB 2.0 OTG cable, and a USB 2.0 A-to-A cable. The board is also compatible with the Microchip USB82642 development software, which provides a graphical user interface for configuring and testing the USB82642 hub and UCS81001 controller.
- TypeParameter
- Factory Lead Time16 Weeks
- PackagingBulk
- Part StatusActive
- Moisture Sensitivity Level (MSL)1 (Unlimited)
- TypeInterface
- Base Part NumberUSB82642
- FunctionUSB 2.0 Hub
- Utilized IC / PartUSB82642
- Supplied ContentsBoard(s)
- Evaluation KitYes
- RoHS StatusROHS3 Compliant
| Part Number | Manufacturer | Description | Stock | RFQ |
|---|---|---|---|---|
| Analog Devices Inc. | ANALOG DEVICES - ADM3485ARZ - Transceiver RS422/RS485, Half Duplex, 3V-3.6V supply, SOIC-8 - Transceiver RS422/RS485, Half Duplex, 3V-3.6V supply, SOIC-8 | 27000 | RFQ | |
| Analog Devices Inc. | Single Transmitter/Receiver RS-422/RS-485 8-Pin SOIC N T/R | 105 | RFQ | |
| Analog Devices Inc. | IC TXRX RS485/422 HS 3.3V 8-SOIC | 905 | RFQ |


Product
Brand
Articles
Tools















