Microchip Technology KSZ8999-EVALBOARD EVALUATION FOR KSZ8999
Description
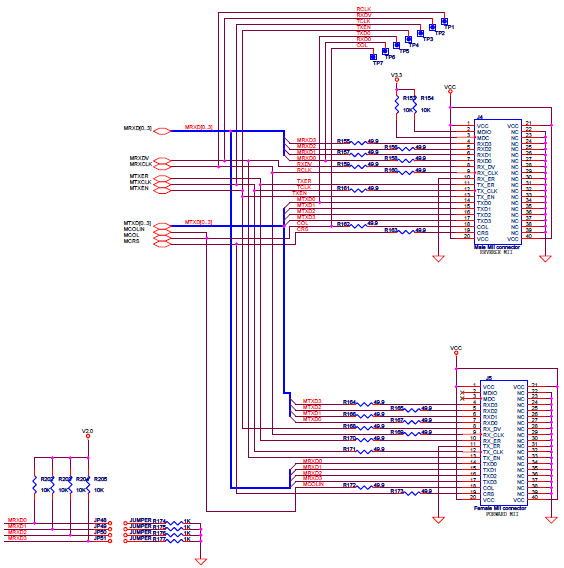
The Microchip Technology KSZ8999-EVAL Evaluation Board is designed for use with the KSZ8999 Ethernet Switch, an industrial grade switch that provides high-performance, low-power, and cost-effective solutions for Ethernet applications. The board features a comprehensive set of features, including a full-featured 10/100/1000 Mbps Ethernet switch, a high-speed SPI interface, and a wide range of power management features. The board also includes a variety of connectors and headers for easy connection to external devices. The board is designed to provide a reliable and robust platform for testing and evaluating the KSZ8999 Ethernet Switch.
Specifications
Microchip Technology technical specifications, attributes, parameters and parts with similar specifications to Microchip Technology .
- TypeParameter
- Factory Lead Time1 Weeks
- Package / Case100
- PackagingBulk
- Published2007
- Part StatusActive
- Moisture Sensitivity Level (MSL)1 (Unlimited)
- TypeInterface
- Max Operating Temperature70°C
- Min Operating Temperature0°C
- Base Part NumberKSZ8999
- FunctionEthernet Controller (PHY and MAC)
- Utilized IC / PartKSZ8999
- Supplied ContentsBoard(s)
- Evaluation KitYes
- Primary Attributes9 Ports, 100BASE-TX/100BASE-FX/10BASE-T
- EmbeddedNo
- Secondary AttributesMII/SNI
- REACH SVHCNo SVHC
- RoHS StatusROHS3 Compliant
- Lead FreeLead Free
0 Similar Products Remaining


Product
Brand
Articles
Tools






















