Microchip Technology MA240037PIC24FJ128GA204 Microcontroller Plug-in Module
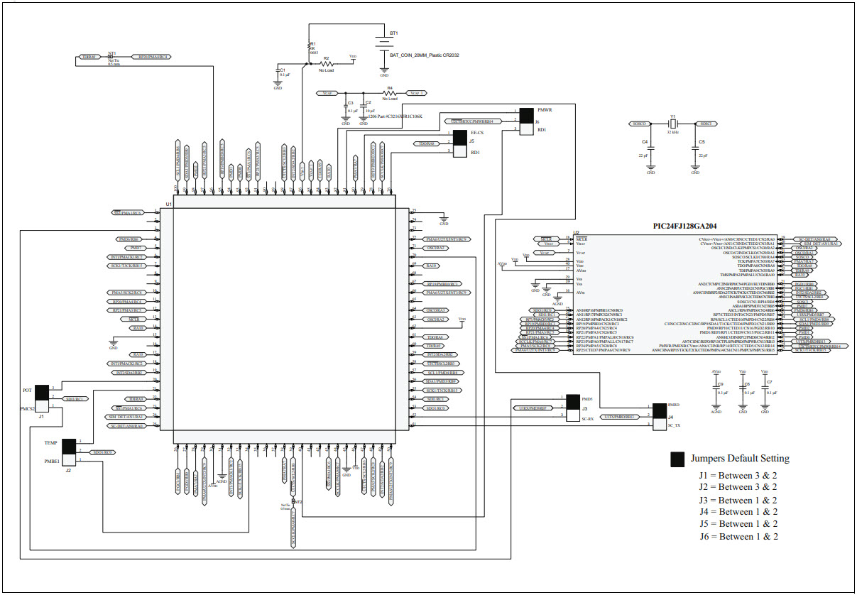
The Microchip Technology MA240037-MA240037, MA240037, PIC24FJ128GA204 Plug-In Module (PIM) Demonstration Board is a powerful and versatile tool for developing and testing applications with the PIC24FJ128GA204 microcontroller. This board features a wide range of peripherals, including a USB port, an LCD display, a temperature sensor, and a variety of other I/O ports. The board also includes a PICkit 3 programmer/debugger, allowing users to quickly and easily program and debug their applications. The board is designed to be used with the MPLAB X Integrated Development Environment (IDE) and the MPLAB Code Configurator (MCC) for easy configuration of the microcontroller. With its wide range of features and capabilities, the MA240037-MA240037, MA240037, PIC24FJ128GA204 Plug-In Module (PIM) Demonstration Board is an ideal tool for developing and testing applications with the PIC24FJ128GA204 microcontroller.
- TypeParameter
- Factory Lead Time14 Weeks
- Package / CaseModule
- Published2008
- Part StatusActive
- Moisture Sensitivity Level (MSL)1 (Unlimited)
- Accessory TypePlug-In Module (PIM)
- Core ArchitecturePIC
- RoHS StatusROHS3 Compliant


Product
Brand
Articles
Tools














