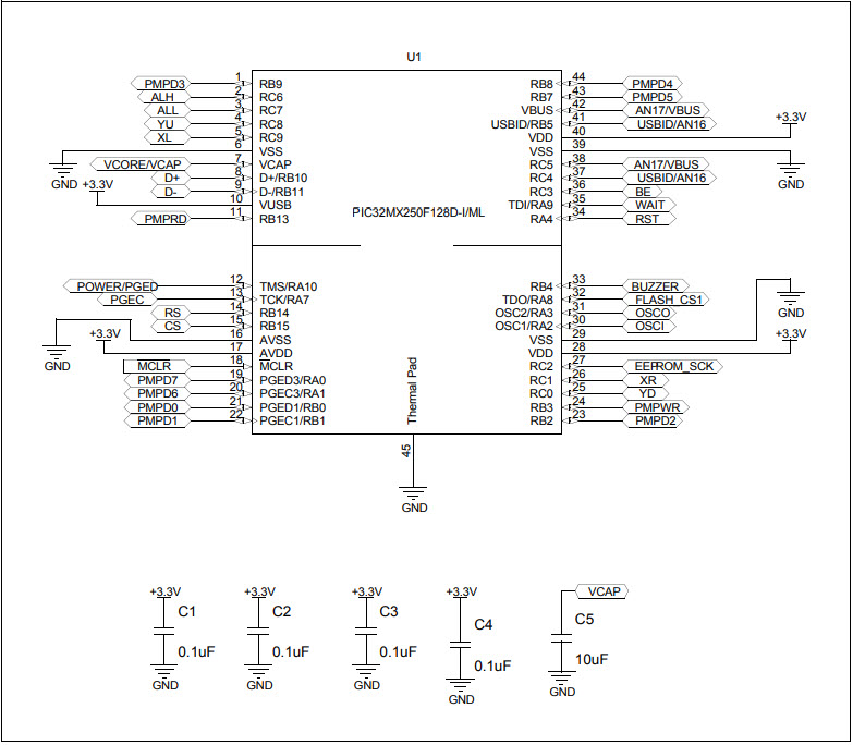
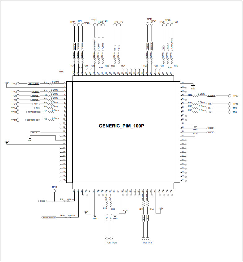
Microchip Technology MA320011MODULE PLUG-IN PIC32MX250F128D
The Microchip Technology MA320011-MA320011, MA320011, PIC32MX250F128D Plug-In Module (PIM) Demonstration Board is a powerful and versatile computer and peripheral device designed to help developers and engineers quickly and easily evaluate and develop applications for the PIC32MX250F128D microcontroller. The board features a wide range of peripherals, including a USB 2.0 port, an Ethernet port, an LCD display, an audio codec, and a variety of other I/O ports. The board also includes a comprehensive suite of development tools, including a debugger, a compiler, and a simulator. The board is designed to be used with the Microchip MPLAB X Integrated Development Environment (IDE) and is compatible with a variety of third-party development tools. The board is ideal for a wide range of applications, including embedded systems, industrial automation, and consumer electronics.
- TypeParameter
- Factory Lead Time14 Weeks
- Package / CaseModule
- Number of Pins100
- Published2008
- Part StatusActive
- Moisture Sensitivity Level (MSL)1 (Unlimited)
- Operating Supply Voltage3.6V
- Accessory TypePlug-In Module (PIM)
- Core ArchitecturePIC
- REACH SVHCNo SVHC
- Radiation HardeningNo
- RoHS StatusROHS3 Compliant
- Lead FreeLead Free


Product
Brand
Articles
Tools












