MikroElektronika MIKROE-3449GYRO 3 CLICK
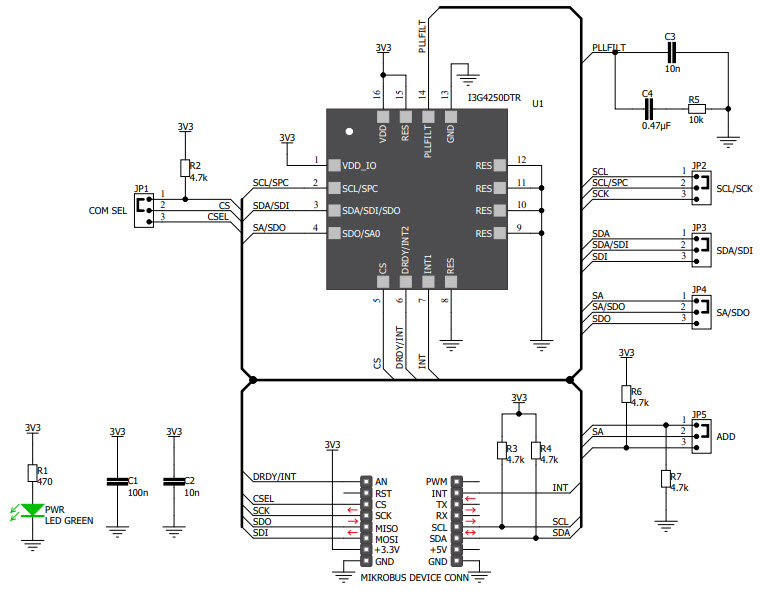
The MikroElektronika MIKROE-3449 Gyro 3 Click Board is a compact and easy-to-use solution for adding a 3-axis digital gyroscope sensor to automotive and transportation applications. It is based on the I3G4250, a low-power, high-performance 3-axis digital gyroscope from STMicroelectronics. The board features a wide range of features, including a low-noise amplifier, a temperature sensor, and a low-power sleep mode. It is capable of measuring angular rate up to 2000°/s with a resolution of 0.008°/s. The board also features a wide range of communication protocols, including I2C, SPI, and UART, making it easy to integrate into existing systems. The board is also RoHS compliant and is designed to meet the requirements of the automotive industry.
- TypeParameter
- Part StatusActive
- Moisture Sensitivity Level (MSL)1 (Unlimited)
- TypeSensor
- FunctionGyroscope
- Utilized IC / PartI3G4250D
- ContentsBoard(s)
- PlatformmikroBUS™ Click™
- RoHS StatusROHS3 Compliant
| Part Number | Manufacturer | Description | Stock | RFQ |
|---|---|---|---|---|
| Microchip Technology | POWER SWITCH, 6-MLF | 3212 | RFQ |


Product
Brand
Articles
Tools




















