NXP USA Inc. FRDM-STBC-AGM01NXP FRDM-STBC-AGM01 Sensor Toolbox Shield Board, Features 3-axis Gyroscope, 6-axis Accelerometer/Magnetometer
Description
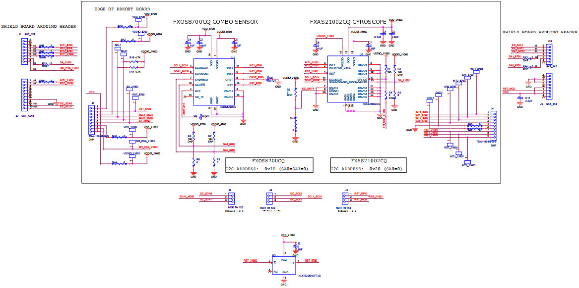
The NXP Semiconductors FRDM-STBC-AGM01 is a 9-Axis Sensor Toolbox Development Board designed for automotive and transportation applications. It is equipped with the FXAS21002C Gyroscope and the FXOS8700CQ 6-Axis Sensor, allowing for the development of advanced motion sensing applications. The board also features a range of other features, such as a USB interface, an onboard debugger, and a range of I/O ports. The board is designed to be used with the NXP Semiconductors FRDM-KL25Z development board, allowing for the development of a wide range of applications. The FRDM-STBC-AGM01 is an ideal solution for automotive and transportation applications, providing a powerful and reliable platform for motion sensing applications.
Specifications
NXP USA Inc. technical specifications, attributes, parameters and parts with similar specifications to NXP USA Inc. .
- TypeParameter
- Factory Lead Time15 Weeks
- PackagingBox
- Published2015
- Part StatusActive
- Moisture Sensitivity Level (MSL)1 (Unlimited)
- Utilized IC / PartFXAS21002, FXOS8700
- Supplied ContentsBoard(s)
- Sensor TypeAccelerometer, Gyroscope, Magnetometer
- RoHS StatusROHS3 Compliant
0 Similar Products Remaining
Technical Documents
Associated Products
| Part Number | Manufacturer | Description | Stock | RFQ |
|---|---|---|---|---|
| Richtek USA Inc. | IC REG BUCK ADJ 3A SYNC 8SOP | 10000 | BUY |


Product
Brand
Articles
Tools


















