Microchip Technology DM240316BOARD DEMO MOTION SENSOR
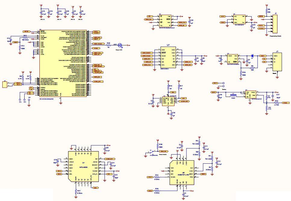
The Microchip Technology DM240316-DM240316 Motion Sensor Demo Board is a powerful and versatile development platform for consumer electronics applications. It is powered by a PIC24F MCU and features on-board USB functionality. The board is designed to demonstrate the capabilities of motion sensing technology, allowing users to quickly and easily develop motion-based applications. It includes a range of features such as a 3-axis accelerometer, a 3-axis gyroscope, a 3-axis magnetometer, and a temperature sensor. The board also includes a USB interface for easy connection to a PC, allowing users to quickly and easily program and debug their applications. With its powerful features and easy-to-use design, the DM240316-DM240316 Motion Sensor Demo Board is an ideal choice for developing consumer electronics applications.
- TypeParameter
- PackagingBox
- SeriesZena™
- Published2012
- Part StatusObsolete
- Moisture Sensitivity Level (MSL)1 (Unlimited)
- Connector TypeUSB
- InterfaceRF
- Utilized IC / PartMRF24J40MA, PIC24FJ256GB206
- Supplied ContentsBoard(s), Cable(s), Accessories
- Evaluation KitYes
- Sensor TypeAccelerometer, Gyroscope, 3 Axis
- Core ArchitecturePIC
- EmbeddedYes, MCU, 16-Bit
- REACH SVHCNo SVHC
- RoHS StatusROHS3 Compliant
- Lead FreeLead Free
| Part Number | Manufacturer | Description | Stock | RFQ |
|---|---|---|---|---|
| Microchip Technology | IC MCU 16BIT 256KB FLASH 64QFN | 500 | RFQ | |
| Microchip Technology | MICROCHIP - 24LC08BT-I/OT - SERIAL EEPROM, 8KBIT, 400KHZ, SOT-23-5 | 3000 | RFQ | |
| Microchip Technology | RF TXRX MOD 802.15.4 TRACE ANT | 5000 | RFQ | |
| Microchip Technology | MICROCHIP - MRF24J40MA-I/RM - RF MODULE, TXRX, 250KBPS, PCB ANT | 6910 | RFQ | |
| Microchip Technology | IC REG BST ADJ 0.35A SYNC SOT23 | 6000 | RFQ |


Product
Brand
Articles
Tools



















