MikroElektronika MIKROE-34476DOF IMU 8 CLICK
Description
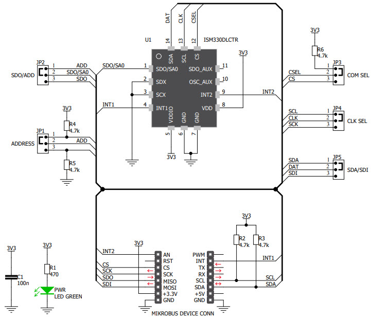
The MikroElektronika MIKROE-3447 6DOF IMU 8 Click Board is a powerful industrial-grade motion sensor designed for use in communications, telecoms, and industrial applications. It features an ISM330DLC 3D accelerometer and 3D gyroscope with digital output, providing accurate and reliable motion sensing capabilities. The board is capable of measuring linear acceleration, angular velocity, and orientation in three dimensions, allowing for precise motion tracking and analysis. It also features a wide range of communication protocols, including I2C, SPI, and UART, making it easy to integrate into existing systems. The board is also designed to be robust and reliable, with a wide operating temperature range and a long lifespan.
Specifications
MikroElektronika technical specifications, attributes, parameters and parts with similar specifications to MikroElektronika .
- TypeParameter
- Part StatusActive
- Moisture Sensitivity Level (MSL)1 (Unlimited)
- TypeSensor
- FunctionAccelerometer, Gyroscope
- Utilized IC / PartISM330DLC
- ContentsBoard(s)
- PlatformmikroBUS™ Click™
- RoHS StatusROHS3 Compliant
0 Similar Products Remaining
Technical Documents
Associated Products
| Part Number | Manufacturer | Description | Stock | RFQ |
|---|---|---|---|---|
| Texas Instruments | Battery Management Low Pwr Harvester Pwr Mgmt IC | 6700 | BUY |


Product
Brand
Articles
Tools




















