Analog Devices Inc. EVAL-ADXRS649ZANALOG DEVICES EVAL-ADXRS649ZADXRS649, GYROSCOPE, EVAL BOARD
Description
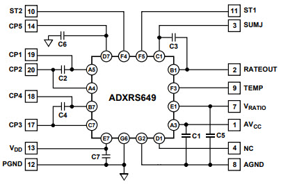
The Analog Devices EVAL-ADXRS649Z Evaluation Board is designed to evaluate the performance of the ADXRS649 Fast Starting, ±20,000 degree/sec Vibration Rejecting Yaw Rate Gyroscope with Analog Output. This board is ideal for automotive and transportation applications, providing a reliable and accurate solution for measuring angular rate. The board features a low-noise, low-power design, and is capable of rejecting vibration up to 20,000 degrees/sec. The board also includes a wide range of features, such as a temperature sensor, a voltage regulator, and a power supply. The board is easy to use and provides a comprehensive evaluation of the ADXRS649 gyroscope.
Specifications
Analog Devices Inc. technical specifications, attributes, parameters and parts with similar specifications to Analog Devices Inc. .
- TypeParameter
- Lifecycle StatusPRODUCTION (Last Updated: 1 month ago)
- Factory Lead Time8 Weeks
- Number of Pins0
- PackagingBox
- Part StatusActive
- Moisture Sensitivity Level (MSL)1 (Unlimited)
- Voltage - Supply4.75V~5.25V
- Base Part NumberADXRS649
- InterfaceAnalog
- Utilized IC / PartADXRS649
- Supplied ContentsBoard(s)
- Evaluation KitYes
- Sensor TypeGyroscope, 1 Axis
- Sensitivity0.1mV/°/s
- EmbeddedNo
- Sensing Range±20000°/sec
- REACH SVHCNo SVHC
- Radiation HardeningNo
- RoHS StatusROHS3 Compliant
- Lead FreeContains Lead
0 Similar Products Remaining
Technical Documents
Associated Products
| Part Number | Manufacturer | Description | Stock | RFQ |
|---|---|---|---|---|
| Microchip Technology | MICROCHIP - 24LC32A-I/MS - EEPROM, 32 Kbit, 4K x 8bit, Serial I2C (2-Wire), 400 kHz, MSOP, 8 Pins | 4 | RFQ | |
| Analog Devices Inc. | IC PLL RF FREQ SYNTHESZR 16TSSOP | 2000 | RFQ |


Product
Brand
Articles
Tools















