Analog Devices Inc. EVAL-ADXL354CZEVAL BOARD FOR ADXL354C
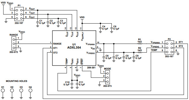
The Analog Devices EVAL-ADXL354CZ Evaluation Board is designed to evaluate the performance of the ADXL354 Low Noise, Low Drift, Low Power, 3-Axis MEMS Accelerometer. This military and aerospace grade accelerometer is ideal for applications that require high accuracy and reliability in extreme environments. The evaluation board features a USB interface for easy connection to a PC, and includes a graphical user interface for easy configuration and data acquisition. The board also includes a 3-axis accelerometer, a 3-axis gyroscope, and a 3-axis magnetometer for comprehensive motion sensing. The board is designed to operate over a wide temperature range and is capable of measuring acceleration up to ±16g. The evaluation board is an ideal solution for evaluating the performance of the ADXL354 accelerometer in a variety of applications.
- TypeParameter
- Lifecycle StatusPRODUCTION (Last Updated: 2 weeks ago)
- Factory Lead Time8 Weeks
- Number of Pins0
- PackagingBox
- Part StatusActive
- Moisture Sensitivity Level (MSL)1 (Unlimited)
- Voltage - Supply2.25V~3.6V
- Base Part NumberADXL354
- InterfaceAnalog
- Utilized IC / PartADXL354
- Supplied ContentsBoard(s)
- Sensor TypeAccelerometer, 3 Axis
- Sensing Range±2g, 8g
- RoHS StatusROHS3 Compliant
- Lead FreeContains Lead
| Part Number | Manufacturer | Description | Stock | RFQ |
|---|---|---|---|---|
| Analog Devices Inc. | Accelerometer Triple ±2g/±4g 3.3V 368mv/g to 432mv/g/184mv/g to 216mv/g 14-Pin CLLCC Tray | 3000 | RFQ | |
| Analog Devices Inc. | ACCELEROMETER 2-8G ANALOG 14QFN | 1500 | BUY | |
| Analog Devices Inc. | ACCELEROMETER 2-4G ANALOG 14QFN | 2000 | BUY | |
| Analog Devices Inc. | ACCELEROMETER 2-8G ANALOG 14CLCC | 1000 | BUY | |
| Analog Devices Inc. | ACCELEROMETER 2-8G ANALOG 14CLCC | 7 | BUY | |
| Analog Devices Inc. | ACCELEROMETER 2-4G ANALOG 14CLCC | 2162 | BUY |


Product
Brand
Articles
Tools














