Analog Devices Inc. EVAL-ADXL372ZEVAL BOARD FOR ADXL372
Description
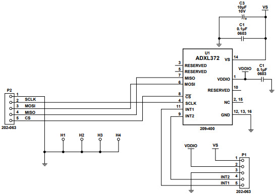
The Analog Devices EVAL-ADXL372Z is an ultralow power, ±200 g digital accelerometer breakout evaluation board based on the ADXL372. It is designed for instrumentation and measurement applications, and is capable of measuring acceleration up to ±200 g. The board features a low power consumption of only 1.2 mA, and a wide operating temperature range of -40°C to +85°C. It also includes a 3-axis MEMS accelerometer, a low-noise amplifier, and a 16-bit ADC. The board is compatible with a variety of microcontrollers, and includes a USB interface for easy connection and programming. The EVAL-ADXL372Z is an ideal solution for applications requiring precise acceleration measurements in a wide range of environments.
Specifications
Analog Devices Inc. technical specifications, attributes, parameters and parts with similar specifications to Analog Devices Inc. .
- TypeParameter
- Lifecycle StatusPRODUCTION (Last Updated: 2 weeks ago)
- Factory Lead Time8 Weeks
- Number of Pins0
- PackagingBox
- SeriesiMEMS®
- Part StatusActive
- Moisture Sensitivity Level (MSL)1 (Unlimited)
- Voltage - Supply1.6V~3.5V
- Base Part NumberADXL372
- InterfaceI2C, SPI
- Utilized IC / PartADXL372
- Supplied ContentsBoard(s)
- Sensor TypeAccelerometer, 3 Axis
- Sensing Range±200g
- RoHS StatusROHS3 Compliant
0 Similar Products Remaining
Technical Documents
Associated Products
| Part Number | Manufacturer | Description | Stock | RFQ |
|---|---|---|---|---|
| Analog Devices Inc. | MICROPOWER THREE-AXIS 200 DIG AC | 9328 | RFQ |


Product
Brand
Articles
Tools














