Analog Devices Inc. EVAL-ADXL357ZEVAL BOARD ADXL357BEZ
The Analog Devices EVAL-ADXL357Z Evaluation Board is designed to evaluate the performance of the ADXL357 Low Noise, Low Drift, Low Power, 3-Axis MEMS Accelerometer. This board is ideal for military and aerospace applications, as it is designed to meet the stringent requirements of these industries. The board features a low noise, low drift, low power, 3-axis MEMS accelerometer, as well as a wide range of features and functions. It also includes a USB interface for easy connection to a PC, and a graphical user interface for easy configuration and data acquisition. The board also includes a range of test points and connectors for easy connection to external devices. The board is designed to provide reliable performance in a wide range of environments, and is suitable for use in a variety of applications.
- TypeParameter
- Lifecycle StatusPRODUCTION (Last Updated: 3 weeks ago)
- Factory Lead Time8 Weeks
- Number of Pins0
- Part StatusActive
- Moisture Sensitivity Level (MSL)1 (Unlimited)
- Voltage - Supply2.25V~3.6V
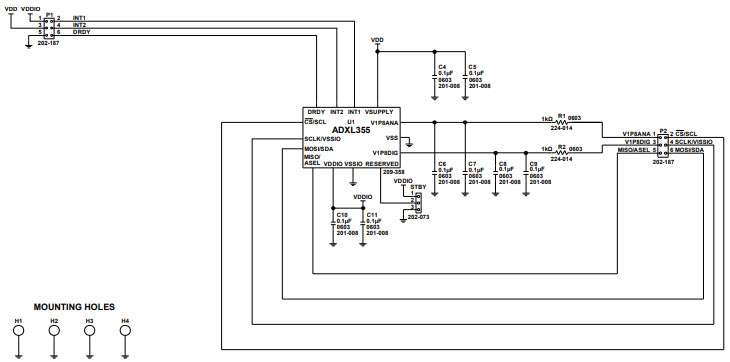
- Utilized IC / PartADXL357
- Supplied ContentsBoard(s)
- Sensor TypeAccelerometer, 3 Axis
- Sensitivity51200LSB/g, 25600LSB/g, 12800LSB/g
- Sensing Range±10.24g, 20.48g, 40.96g
- RoHS StatusROHS3 Compliant
| Part Number | Manufacturer | Description | Stock | RFQ |
|---|---|---|---|---|
| Analog Devices Inc. | HIGH PERF 3-AXIS DIGIT 2G/4G/8G | 63 | RFQ | |
| Analog Devices Inc. | HIGH PERF 3-AXIS DIGIT 2G/4G/8G | 0 | RFQ |


Product
Brand
Articles
Tools












