Silicon Labs SI5345-EVBSI5345 Clock Generator and Synthesizer Evaluation Board
Description
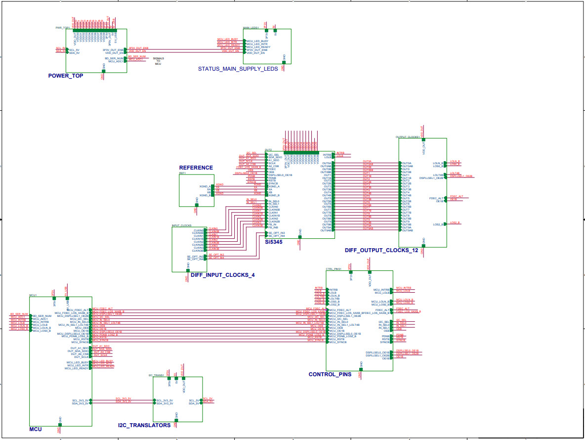
The Silicon Labs SI5345-EVB is an evaluation board based on the Si5345 Any-Frequency, Any-Output, Jitter-Attenuating Clock Multiplier, Instrumentation and Measurement IC. This board is designed to provide a platform for evaluating the features and performance of the Si5345 IC. It features a wide range of input and output frequencies, as well as a variety of output formats, including LVPECL, LVDS, HCSL, and CML. The board also includes a variety of test points and connectors for easy access to the IC's signals. The board is powered by a 5V DC supply and is designed to operate over a temperature range of -40°C to +85°C. The SI5345-EVB is an ideal tool for evaluating the features and performance of the Si5345 IC.
Specifications
Silicon Labs technical specifications, attributes, parameters and parts with similar specifications to Silicon Labs .
- TypeParameter
- Factory Lead Time3 Weeks
- Published2001
- Part StatusObsolete
- Moisture Sensitivity Level (MSL)1 (Unlimited)
- TypeTiming
- Frequency48MHz
- FunctionClock Multiplier
- Operating Supply Voltage3.3V
- InterfaceUSB
- Operating Supply Current900mA
- Utilized IC / PartSi5345
- Supplied ContentsBoard(s)
- Evaluation KitYes
- Primary AttributesUSB Powered or External Supply
- Secondary AttributesGraphical User Interface
- RoHS StatusRoHS Compliant
0 Similar Products Remaining
Technical Documents
Associated Products
| Part Number | Manufacturer | Description | Stock | RFQ |
|---|---|---|---|---|
| Analog Devices Inc. | IC OPAMP ZERO-DRIFT TSOT23-5 | 6000 | RFQ | |
| Analog Devices Inc. | ANALOG DEVICES - ADG728BRUZ - Analogue Switch, 1 Channels, SPST, 4.5 ohm, 2.7V to 5.5V, TSSOP, 16 Pins | 1000 | RFQ | |
| Silicon Labs | IC MCU 8BIT 64KB FLASH 48TQFP | 0 | RFQ | |
| Texas Instruments | IC REG LIN POS ADJ 100MA SOT23-5 | 0 | RFQ | |
| Texas Instruments | LDO Regulator Pos 0.7V to 5.5V 0.1A 5-Pin SOT-23 T/R | 250 | BUY | |
| Analog Devices Inc. | IC OPAMP ZERO-DRIFT TSOT23-5 | 10868 | RFQ | |
| ON Semiconductor | Buffer/Driver 1-CH Inverting Open Drain CMOS 5-Pin TSOP T/R | 1 | RFQ | |
| Texas Instruments | IC REG LIN POS ADJ 100MA SOT23-5 | 42222 | BUY | |
| TXC Corporation | CRYSTAL 48.0000MHZ 8PF SMD | 43222 | RFQ |


Product
Brand
Articles
Tools










