STMicroelectronics STEVAL-IPT004V1BOARD DEMO 24PIN ST8034HN
Description
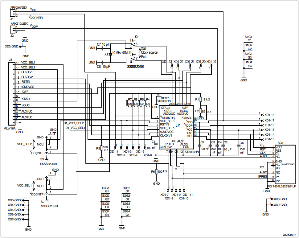
The STMicroelectronics STEVAL-IPT004V1 is a Smart Card Interface Evaluation Board based on the ST8034HN Communications and Telecom IC. It is designed to provide a platform for evaluating the features and performance of the ST8034HN IC. The board includes a USB interface, a smart card reader, and a 3.3V power supply. It also includes a set of LEDs and push buttons for user interaction. The board is capable of supporting a wide range of smart card protocols, including ISO 7816, EMV, and GSM 11.11. It is ideal for applications such as secure authentication, payment systems, and access control.
Specifications
STMicroelectronics technical specifications, attributes, parameters and parts with similar specifications to STMicroelectronics .
- TypeParameter
- Number of Pins24
- Part StatusActive
- Moisture Sensitivity Level (MSL)1 (Unlimited)
- TypeInterface
- FunctionSmart Card
- Utilized IC / PartST8034
- Supplied ContentsBoard(s)
- Evaluation KitYes
- RoHS StatusROHS3 Compliant
0 Similar Products Remaining
Technical Documents
Associated Products
| Part Number | Manufacturer | Description | Stock | RFQ |
|---|---|---|---|---|
| STMicroelectronics | IC REG LINEAR 5V 100MA SOT89-3 | 52500 | BUY | |
| STMicroelectronics | IC MCU 8BIT 4KB FLASH 20TSSOP | 7551 | RFQ | |
| STMicroelectronics | AC to DC Switching Converter Off-Line Switcher 27kHz to 33kHz Tube 10-Pin SSO | 50000 | RFQ |


Product
Brand
Articles
Tools













