STMicroelectronics STEVAL-IPT005V1BOARD DEMO SMART CARD ST8034P
Description
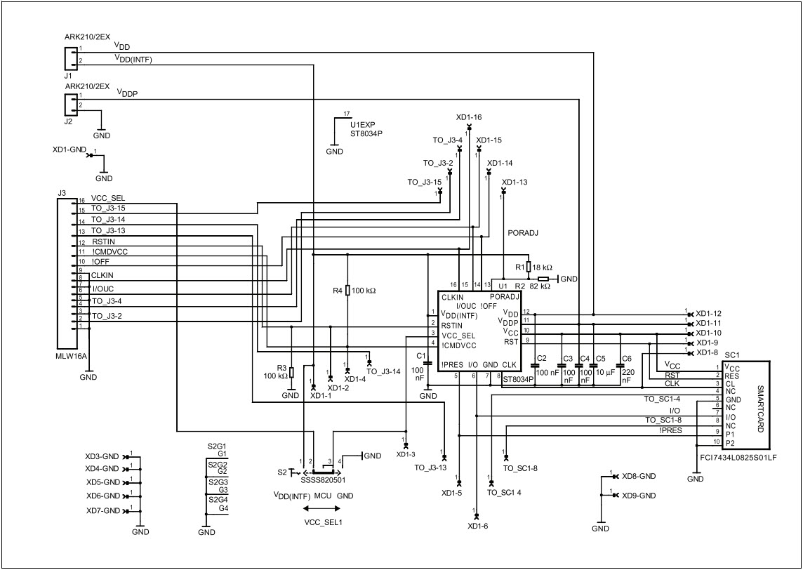
The STMicroelectronics STEVAL-IPT005V1 is a Smart Card Interface Evaluation Board based on the ST8034P Communications and Telecom IC. It is designed to provide a platform for evaluating the features and performance of the ST8034P IC. The board includes a USB interface, a smart card reader, and a 3.3V power supply. It also includes a set of LEDs and push buttons for user interaction. The board is ideal for applications such as secure authentication, payment systems, and access control. It is also suitable for use in development and testing of smart card applications.
Specifications
STMicroelectronics technical specifications, attributes, parameters and parts with similar specifications to STMicroelectronics .
- TypeParameter
- Part StatusActive
- Moisture Sensitivity Level (MSL)1 (Unlimited)
- TypeInterface
- FunctionSmart Card
- Utilized IC / PartST8034
- Supplied ContentsBoard(s)
- Evaluation KitYes
- RoHS StatusROHS3 Compliant
0 Similar Products Remaining
Technical Documents
Associated Products
| Part Number | Manufacturer | Description | Stock | RFQ |
|---|---|---|---|---|
| STMicroelectronics | IC USB CHARGING CTLR SW 16VFQFPN | 6000 | RFQ | |
| STMicroelectronics | IC REG LIN POS ADJ 85MA SOT23-5 | 0 | BUY |


Product
Brand
Articles
Tools












