Maxim Integrated MAX3420EEVKIT-2+EVAL KIT FOR MAX3420E
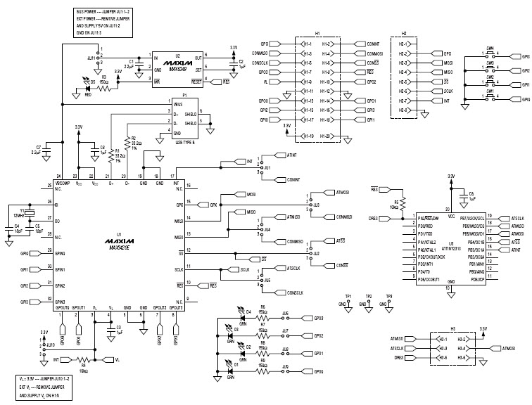
The MAX3420EEVKIT-2+ is an evaluation kit for the MAX3420E USB Peripheral Controller with SPI interface, designed for consumer electronics applications. It includes a MAX3420E USB Peripheral Controller, a MAX3420E Evaluation Board, and a USB cable. The MAX3420E USB Peripheral Controller is a low-power, low-cost, full-speed USB peripheral controller with an integrated SPI interface. It supports up to four endpoints, including one control endpoint, and provides a wide range of features, including low-power suspend and resume, remote wakeup, and low-speed support. The MAX3420E Evaluation Board provides a convenient platform for evaluating the MAX3420E USB Peripheral Controller. It includes a USB connector, a power supply, and a set of jumpers and switches for configuring the board. The USB cable allows the board to be connected to a PC or other USB host. The MAX3420EEVKIT-2+ is an ideal solution for evaluating the MAX3420E USB Peripheral Controller for consumer electronics applications.
- TypeParameter
- Factory Lead Time6 Weeks
- Published2006
- Part StatusActive
- Moisture Sensitivity Level (MSL)1 (Unlimited)
- TypeInterface
- Base Part NumberMAX3420
- FunctionUSB 2.0 Slave
- Operating Supply Voltage3.3V
- InterfaceSPI, USB
- Max Input Voltage5V
- Utilized IC / PartMAX3420E
- Supplied ContentsBoard(s)
- Evaluation KitYes
- Primary AttributesFull Speed (12Mbps), SPI Interface, No Custom USB Drivers
- EmbeddedNo
- Secondary Attributes4 GPI Pushbuttons, 4 GPO LEDs
- Height30mm
- Length297mm
- Width210mm
- Radiation HardeningNo
- RoHS StatusROHS3 Compliant
- Lead FreeLead Free
| Part Number | Manufacturer | Description | Stock | RFQ |
|---|---|---|---|---|
| Maxim Integrated | LDO Regulator Pos 1.8V 0.08A 5-Pin SOT-23 | 0 | RFQ |


Product
Brand
Articles
Tools












