STMicroelectronics STEVAL-IPT007V1BOARD EVAL SMARTCARD ST8034HC
Description
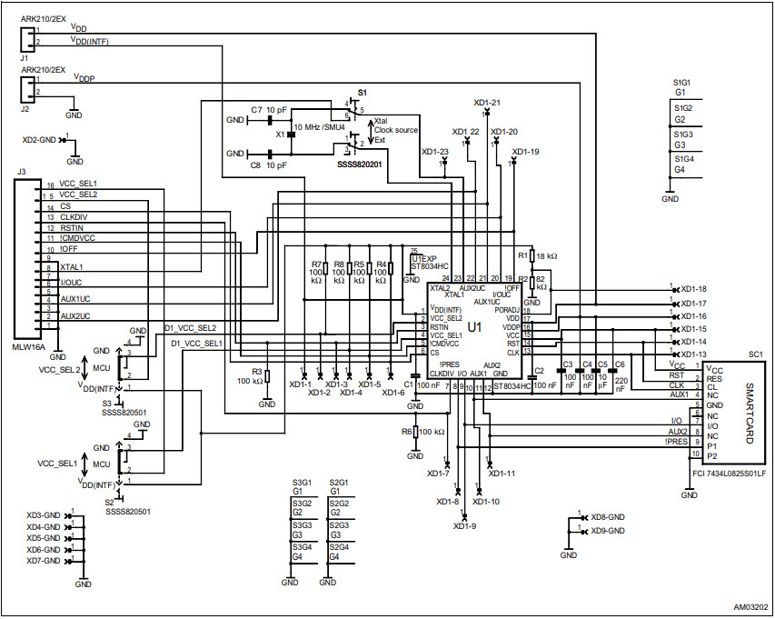
The STMicroelectronics STEVAL-IPT007V1 is a Smart Card Interface Evaluation Board based on the ST8034HC Communications and Telecom IC. It is designed to provide a platform for evaluating the features and performance of the ST8034HC IC. The board includes a USB interface, a smart card reader, and a 3.3V power supply. It also includes a set of LEDs and push buttons for user interaction. The board is ideal for applications such as secure authentication, payment systems, and access control. It is also suitable for use in development and testing of smart card applications.
Specifications
STMicroelectronics technical specifications, attributes, parameters and parts with similar specifications to STMicroelectronics .
- TypeParameter
- Part StatusActive
- Moisture Sensitivity Level (MSL)1 (Unlimited)
- TypeInterface
- FunctionSmart Card
- Utilized IC / PartST8034
- Supplied ContentsBoard(s)
- Evaluation KitYes
- RoHS StatusROHS3 Compliant
0 Similar Products Remaining
Technical Documents
Associated Products
| Part Number | Manufacturer | Description | Stock | RFQ |
|---|---|---|---|---|
| STMicroelectronics | COMPARATOR, SINGLE, MICROPWR, 5SOT23 | 12000 | RFQ | |
| STMicroelectronics | STMICROELECTRONICS - L7815ACV - Linear Voltage Regulator, 7815, Fixed, Precision, 23V To 35V In, 15V And 1.5A Out, TO-220-3 | 0 | RFQ | |
| STMicroelectronics | STMICROELECTRONICS L78M05CDT-TR LINEAR VOLTAGE REGULATOR, 5V, DPAK-3 | 239935 | RFQ | |
| STMicroelectronics | IC VREF SHUNT ADJ SOT23-3 | 174818 | RFQ | |
| STMicroelectronics | AC to DC Switching Converter Off-Line Switcher 54kHz to 66kHz Tube 16-Pin SO N | 1000 | RFQ | |
| STMicroelectronics | IC OFFLINE CONV PWM OTP 16SOIC | 55000 | RFQ | |
| STMicroelectronics | IC HEX SCHMITT INVERTER 14SOIC | 0 | RFQ | |
| STMicroelectronics | 1000 | BUY | ||
| STMicroelectronics | Driver 0.54V 0.43A 1-OUT Hi/Lo Side Half Brdg Inv/Non-Inv 16-Pin SO Tube | 3495 | RFQ |


Product
Brand
Articles
Tools

















