TE Connectivity DPP902S000ARDUINO WEATHER SHIELD
Description
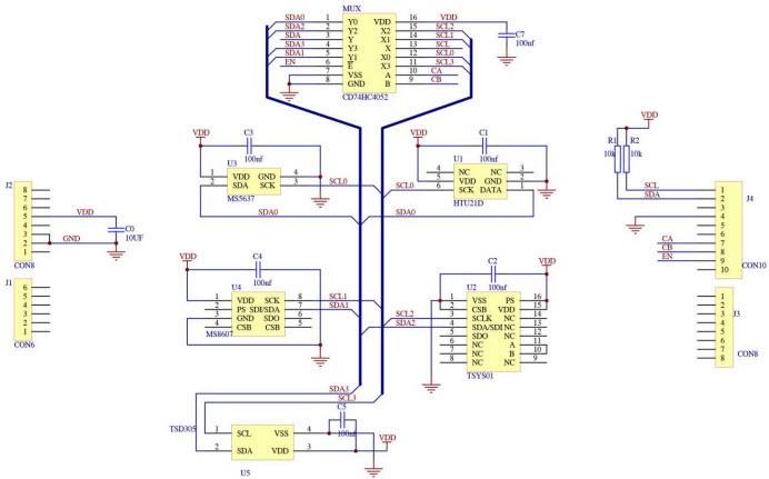
The TE Connectivity DPP902S000-S000, DPP902S000, MEAS Digital Weather Shield is a comprehensive solution for mother boards, instrumentation and measurement. It is based on the HTU21D Humidity Sensor, MS5637 Pressure Sensor, TSYS01 Temperature Sensor and TSD305-1C55 Thermopile Sensor. This shield provides accurate and reliable measurements of temperature, humidity, pressure and thermopile. It is designed to be used in a wide range of applications, from industrial to consumer. The shield is easy to install and use, and is compatible with a variety of mother boards. It is also designed to be robust and reliable, with a long life span. The shield is also designed to be energy efficient, with low power consumption.
Specifications
TE Connectivity technical specifications, attributes, parameters and parts with similar specifications to TE Connectivity .
- TypeParameter
- For Use WithArduino/Genuino
- PackageBulk
- Base Product NumberDPP902
- MfrTE Connectivity Measurement Specialties
- Product StatusActive
- Series--
- Part StatusActive
- TypeSensor
- FunctionHumidity, Pressure, Temperature
- Utilized IC / PartHTU21D, MS5637, MS8607, TSD305-1C55, TSYS01
- ContentsBoard(s)
- PlatformArduino
0 Similar Products Remaining
Associated Products
| Part Number | Manufacturer | Description | Stock | RFQ |
|---|---|---|---|---|
| Texas Instruments | High Speed CMOS Differential 4-Channel Analog Multiplexer/Demultiplexer 16-PDIP -55 to 125 | 28 | BUY | |
| Texas Instruments | LOGIC, ANALOG MUX/DEMUX HS 16SO, RL250 | 50000 | RFQ | |
| Texas Instruments | IC MUX/DEMUX DUAL 4X1 16TSSOP | 0 | RFQ | |
| Texas Instruments | IC MUX/DEMUX DUAL 4X1 16SO | 19 | BUY | |
| Texas Instruments | Analog Multiplexer Dual 4:1 16-Pin TSSOP T/R | 998 | RFQ | |
| Texas Instruments | IC MUX/DEMUX DUAL 4X1 16SOIC | 1541 | RFQ |


Product
Brand
Articles
Tools










