LM2903M: Pinout, Datasheet, Comparators
Surface Mount Tube 16mA mA 1.5 μs μs Linear Comparators 100dB dB 250nA pA 1mA μA 7mV mV Surface Mount









Surface Mount Tube 16mA mA 1.5 μs μs Linear Comparators 100dB dB 250nA pA 1mA μA 7mV mV Surface Mount
The LM2903M comprises of two independent precision voltage comparators. The following article will show the introduction of the component.

LM2903M - Texas Instruments : Low Power Low Offset Voltage Dual Comparators
LM2903M Description
The LM2903M comprises of two independent precision voltage comparators with an offset voltage specification as low as 2.0 mV max for two comparators that were designed to operate across a wide variety of voltages from a single power source. It is also possible to operate from split power supplies, and the low power supply current drain is unaffected by the amount of the power supply voltage. Even though run from a single power supply voltage, these comparators have a unique feature in that the input common-mode voltage range includes ground.
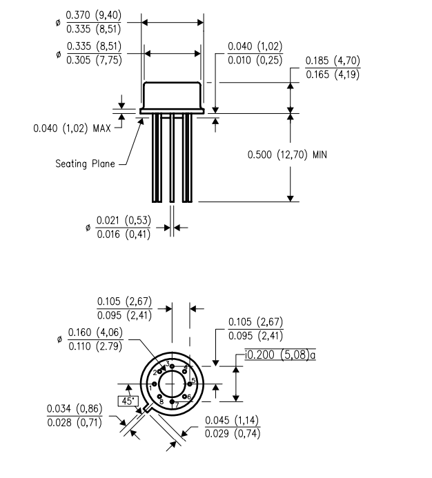
LM2903M Pinout

LM2903M CAD Model
Symbol

Footprint

3D Model

LM2903M Features
• Wide Supply
– Voltage Range: 2.0 V to 36 V
– Single or Dual Supplies: ±1.0 V to ±18 V
• Very Low Supply Current Drain (0.4 mA) —Independent of Supply Voltage
• Low Input Biasing Current: 25 nA
• Low Input Offset Current: ±5 nA
• Maximum Offset voltage: ±3 mV
• Input Common-Mode Voltage Range Includes Ground
• Differential Input Voltage Range Equal to the Power Supply Voltage
• Low Output Saturation Voltage: 250 mV at 4 mA
• Output Voltage Compatible with TTL, DTL, ECL, MOS and CMOS logic systems
• Available in the 8-Bump (12 mil) DSBGA Package
• See AN-1112 (SNVA009) for DSBGA Considerations
LM2903M Functional Block Diagram

LM2903M Equivalents
| Part Number | Description | Manufacturer |
| LM2903MEPAMPLIFIER CIRCUITS | IC DUAL COMPARATOR, 7000 uV OFFSET-MAX, 1500 ns RESPONSE TIME, PDSO8, PLASTIC, SOIC-8, Comparator | National Semiconductor Corporation |
| LM2903MX/NOPBAMPLIFIER CIRCUITS | Low offset, dual differential comparator 8-SOIC -40 to 85 | Texas Instruments |
| LM2903NAMPLIFIER CIRCUITS | DUAL COMPARATOR, 15000uV OFFSET-MAX, 1500ns RESPONSE TIME, PDIP8, PLASTIC, DIP-8 | Texas Instruments |
| LMT2903DAMPLIFIER CIRCUITS | DUAL COMPARATOR, 15000uV OFFSET-MAX, 1500ns RESPONSE TIME, PDSO8, PLASTIC, SO-8 | Motorola Mobility LLC |
| BA2903FV-E2AMPLIFIER CIRCUITS | Comparator, 2 Func, 15000uV Offset-Max, 1300ns Response Time, BIPolar, PDSO8, SSOP-8 | ROHM Semiconductor |
| LM2903VDGAMPLIFIER CIRCUITS | Comparator, Dual, Low Offset Voltage, SOIC-8 Narrow Body, 98-TUBE | onsemi |
| LMT2903DR2AMPLIFIER CIRCUITS | Comparator, 2 Func, 15000uV Offset-Max, 1500ns Response Time, PDSO8, PLASTIC, SO-8 | Motorola Semiconductor Products |
| BA2903FVAMPLIFIER CIRCUITS | Comparator, 2 Func, 15000uV Offset-Max, 1300ns Response Time, BIPolar, PDSO8, ROHS COMPLIANT, SSOP-8 | ROHM Semiconductor |
| LM2903DR2GAMPLIFIER CIRCUITS | DUAL COMPARATOR, 15000uV OFFSET-MAX, 1300ns RESPONSE TIME, PDSO8 | Texas Instruments |
| NJM2903V-(TE1)AMPLIFIER CIRCUITS | Comparator, 2 Func, 7000uV Offset-Max, 1500ns Response Time, BIPolar, PDSO8, SSOP-8 | New Japan Radio Co Ltd |
Specifications
- TypeParameter
- Lifecycle Status
Lifecycle Status refers to the current stage of an electronic component in its product life cycle, indicating whether it is active, obsolete, or transitioning between these states. An active status means the component is in production and available for purchase. An obsolete status indicates that the component is no longer being manufactured or supported, and manufacturers typically provide a limited time frame for support. Understanding the lifecycle status is crucial for design engineers to ensure continuity and reliability in their projects.
ACTIVE (Last Updated: 5 days ago) - Factory Lead Time6 Weeks
- Contact Plating
Contact plating (finish) provides corrosion protection for base metals and optimizes the mechanical and electrical properties of the contact interfaces.
Lead, Tin - Mount
In electronic components, the term "Mount" typically refers to the method or process of physically attaching or fixing a component onto a circuit board or other electronic device. This can involve soldering, adhesive bonding, or other techniques to secure the component in place. The mounting process is crucial for ensuring proper electrical connections and mechanical stability within the electronic system. Different components may have specific mounting requirements based on their size, shape, and function, and manufacturers provide guidelines for proper mounting procedures to ensure optimal performance and reliability of the electronic device.
Surface Mount - Mounting Type
The "Mounting Type" in electronic components refers to the method used to attach or connect a component to a circuit board or other substrate, such as through-hole, surface-mount, or panel mount.
Surface Mount - Package / Case
refers to the protective housing that encases an electronic component, providing mechanical support, electrical connections, and thermal management.
8-SOIC (0.154, 3.90mm Width) - Number of Pins8
- Operating Temperature
The operating temperature is the range of ambient temperature within which a power supply, or any other electrical equipment, operate in. This ranges from a minimum operating temperature, to a peak or maximum operating temperature, outside which, the power supply may fail.
-40°C~85°C - Packaging
Semiconductor package is a carrier / shell used to contain and cover one or more semiconductor components or integrated circuits. The material of the shell can be metal, plastic, glass or ceramic.
Tube - JESD-609 Code
The "JESD-609 Code" in electronic components refers to a standardized marking code that indicates the lead-free solder composition and finish of electronic components for compliance with environmental regulations.
e0 - Part Status
Parts can have many statuses as they progress through the configuration, analysis, review, and approval stages.
Active - Moisture Sensitivity Level (MSL)
Moisture Sensitivity Level (MSL) is a standardized rating that indicates the susceptibility of electronic components, particularly semiconductors, to moisture-induced damage during storage and the soldering process, defining the allowable exposure time to ambient conditions before they require special handling or baking to prevent failures
1 (Unlimited) - Number of Terminations8
- Termination
Termination in electronic components refers to the practice of matching the impedance of a circuit to prevent signal reflections and ensure maximum power transfer. It involves the use of resistors or other components at the end of transmission lines or connections. Proper termination is crucial in high-frequency applications to maintain signal integrity and reduce noise.
SMD/SMT - ECCN Code
An ECCN (Export Control Classification Number) is an alphanumeric code used by the U.S. Bureau of Industry and Security to identify and categorize electronic components and other dual-use items that may require an export license based on their technical characteristics and potential for military use.
EAR99 - TypeGeneral Purpose
- Terminal Finish
Terminal Finish refers to the surface treatment applied to the terminals or leads of electronic components to enhance their performance and longevity. It can improve solderability, corrosion resistance, and overall reliability of the connection in electronic assemblies. Common finishes include nickel, gold, and tin, each possessing distinct properties suitable for various applications. The choice of terminal finish can significantly impact the durability and effectiveness of electronic devices.
Tin/Lead (Sn/Pb) - Max Power Dissipation
The maximum power that the MOSFET can dissipate continuously under the specified thermal conditions.
480mW - Terminal Position
In electronic components, the term "Terminal Position" refers to the physical location of the connection points on the component where external electrical connections can be made. These connection points, known as terminals, are typically used to attach wires, leads, or other components to the main body of the electronic component. The terminal position is important for ensuring proper connectivity and functionality of the component within a circuit. It is often specified in technical datasheets or component specifications to help designers and engineers understand how to properly integrate the component into their circuit designs.
DUAL - Terminal Form
Occurring at or forming the end of a series, succession, or the like; closing; concluding.
GULL WING - Peak Reflow Temperature (Cel)
Peak Reflow Temperature (Cel) is a parameter that specifies the maximum temperature at which an electronic component can be exposed during the reflow soldering process. Reflow soldering is a common method used to attach electronic components to a circuit board. The Peak Reflow Temperature is crucial because it ensures that the component is not damaged or degraded during the soldering process. Exceeding the specified Peak Reflow Temperature can lead to issues such as component failure, reduced performance, or even permanent damage to the component. It is important for manufacturers and assemblers to adhere to the recommended Peak Reflow Temperature to ensure the reliability and functionality of the electronic components.
235 - Number of Functions2
- Supply Voltage
Supply voltage refers to the electrical potential difference provided to an electronic component or circuit. It is crucial for the proper operation of devices, as it powers their functions and determines performance characteristics. The supply voltage must be within specified limits to ensure reliability and prevent damage to components. Different electronic devices have specific supply voltage requirements, which can vary widely depending on their design and intended application.
5V - Base Part Number
The "Base Part Number" (BPN) in electronic components serves a similar purpose to the "Base Product Number." It refers to the primary identifier for a component that captures the essential characteristics shared by a group of similar components. The BPN provides a fundamental way to reference a family or series of components without specifying all the variations and specific details.
LM2903 - Pin Count
a count of all of the component leads (or pins)
8 - Output Type
The "Output Type" parameter in electronic components refers to the type of signal or data that is produced by the component as an output. This parameter specifies the nature of the output signal, such as analog or digital, and can also include details about the voltage levels, current levels, frequency, and other characteristics of the output signal. Understanding the output type of a component is crucial for ensuring compatibility with other components in a circuit or system, as well as for determining how the output signal can be utilized or processed further. In summary, the output type parameter provides essential information about the nature of the signal that is generated by the electronic component as its output.
CMOS, DTL, ECL, MOS, Open-Collector, TTL - Power Supplies
an electronic circuit that converts the voltage of an alternating current (AC) into a direct current (DC) voltage.?
5V - Number of Circuits2
- Nominal Supply Current
Nominal current is the same as the rated current. It is the current drawn by the motor while delivering rated mechanical output at its shaft.
1mA - Power Dissipation
the process by which an electronic or electrical device produces heat (energy loss or waste) as an undesirable derivative of its primary action.
480mW - Output Current
The rated output current is the maximum load current that a power supply can provide at a specified ambient temperature. A power supply can never provide more current that it's rated output current unless there is a fault, such as short circuit at the load.
16mA - Max Supply Current
Max Supply Current refers to the maximum amount of electrical current that a component can draw from its power supply under normal operating conditions. It is a critical parameter that ensures the component operates reliably without exceeding its thermal limits or damaging internal circuitry. Exceeding this current can lead to overheating, performance degradation, or failure of the component. Understanding this parameter is essential for designing circuits that provide adequate power while avoiding overload situations.
1mA - Quiescent Current
The quiescent current is defined as the current level in the amplifier when it is producing an output of zero.
2.5mA - Response Time
the time taken for a circuit or measuring device, when subjected to a change in input signal, to change its state by a specified fraction of its total response to that change.
1.5 μs - Voltage - Supply, Single/Dual (±)
The parameter "Voltage - Supply, Single/Dual (±)" in electronic components refers to the power supply voltage required for the proper operation of the component. This parameter indicates whether the component requires a single power supply voltage (e.g., 5V) or a dual power supply voltage (e.g., ±15V). For components that require a single power supply voltage, only one voltage level is needed for operation. On the other hand, components that require a dual power supply voltage need both positive and negative voltage levels to function correctly.Understanding the voltage supply requirements of electronic components is crucial for designing and integrating them into circuits to ensure proper functionality and prevent damage due to incorrect voltage levels.
2V~36V ±1V~18V - Input Offset Voltage (Vos)
Input Offset Voltage (Vos) is a key parameter in electronic components, particularly in operational amplifiers. It refers to the voltage difference that must be applied between the two input terminals of the amplifier to nullify the output voltage when the input terminals are shorted together. In simpler terms, it represents the voltage required to bring the output of the amplifier to zero when there is no input signal present. Vos is an important parameter as it can introduce errors in the output signal of the amplifier, especially in precision applications where accuracy is crucial. Minimizing Vos is essential to ensure the amplifier operates with high precision and accuracy.
7mV - Voltage Gain
Voltage gain is a measure of how much an electronic component or circuit amplifies an input voltage signal to produce an output voltage signal. It is typically expressed as a ratio or in decibels (dB). A higher voltage gain indicates a greater amplification of the input signal. Voltage gain is an important parameter in amplifiers, where it determines the level of amplification provided by the circuit. It is calculated by dividing the output voltage by the input voltage and is a key factor in determining the overall performance and functionality of electronic devices.
100dB - Supply Voltage Limit-Max
The parameter "Supply Voltage Limit-Max" in electronic components refers to the maximum voltage that the component can safely handle without getting damaged. This specification is crucial for ensuring the reliable operation and longevity of the component within a given electrical system. Exceeding the maximum supply voltage limit can lead to overheating, electrical breakdown, or permanent damage to the component. It is important to carefully adhere to this limit when designing and operating electronic circuits to prevent potential failures and ensure the overall system's performance and safety.
36V - Input Bias Current
Input Bias Current refers to the small amount of current that flows into the input terminals of an electronic component, such as an operational amplifier. It is primarily caused by the input impedance of the device and the characteristics of the transistors within it. This current is crucial in determining the accuracy of the analog signal processing, as it can affect the level of voltage offset and signal integrity in the application. In many precise applications, minimizing input bias current is essential to achieve optimal performance.
250nA - Voltage - Input Offset (Max)
Voltage - Input Offset (Max) is a parameter that refers to the maximum allowable difference in input voltage between two input terminals of an electronic component, such as an operational amplifier, before the output voltage deviates from the expected value. This parameter is crucial in precision applications where accurate voltage amplification or signal processing is required. A higher value for the input offset voltage indicates a greater potential for error in the output signal, so minimizing this parameter is important for maintaining the accuracy and reliability of the component's performance. Designers often take this parameter into consideration when selecting components for circuits that require precise voltage control and signal processing.
7mV @ 30V - Current - Input Bias (Max)
The parameter "Current - Input Bias (Max)" in electronic components refers to the maximum amount of input bias current that can flow into the input terminal of the component without causing any adverse effects on its performance. Input bias current is the small amount of current that flows into the input terminal of an electronic component, such as an operational amplifier, transistor, or integrated circuit, even when no input signal is applied. This parameter is important because excessive input bias current can lead to errors in the output signal and affect the overall performance of the component. Manufacturers specify a maximum value for input bias current to ensure proper operation and reliability of the component in various applications. It is crucial for designers and engineers to consider this parameter when selecting components for their circuits to ensure optimal performance and functionality.
0.25μA @ 5V - Current - Output (Typ)
The parameter "Current - Output (Typ)" in electronic components refers to the typical output current that the component is designed to deliver under normal operating conditions. It represents the expected or average value of the output current that the component can provide. This parameter is important for determining the capability of the component to supply power to other parts of the circuit or system. It helps in ensuring that the component can meet the current requirements of the application without exceeding its specified limits. Manufacturers provide this parameter in datasheets to help designers select the appropriate component for their specific needs.
16mA @ 5V - Height1.75mm
- Length4.9mm
- Width3.91mm
- Thickness
Thickness in electronic components refers to the measurement of how thick a particular material or layer is within the component structure. It can pertain to various aspects, such as the thickness of a substrate, a dielectric layer, or conductive traces. This parameter is crucial as it impacts the electrical, mechanical, and thermal properties of the component, influencing its performance and reliability in electronic circuits.
1.58mm - REACH SVHC
The parameter "REACH SVHC" in electronic components refers to the compliance with the Registration, Evaluation, Authorization, and Restriction of Chemicals (REACH) regulation regarding Substances of Very High Concern (SVHC). SVHCs are substances that may have serious effects on human health or the environment, and their use is regulated under REACH to ensure their safe handling and minimize their impact.Manufacturers of electronic components need to declare if their products contain any SVHCs above a certain threshold concentration and provide information on the safe use of these substances. This information allows customers to make informed decisions about the potential risks associated with using the components and take appropriate measures to mitigate any hazards.Ensuring compliance with REACH SVHC requirements is essential for electronics manufacturers to meet regulatory standards, protect human health and the environment, and maintain transparency in their supply chain. It also demonstrates a commitment to sustainability and responsible manufacturing practices in the electronics industry.
No SVHC - Radiation Hardening
Radiation hardening is the process of making electronic components and circuits resistant to damage or malfunction caused by high levels of ionizing radiation, especially for environments in outer space (especially beyond the low Earth orbit), around nuclear reactors and particle accelerators, or during nuclear accidents or nuclear warfare.
No - RoHS Status
RoHS means “Restriction of Certain Hazardous Substances” in the “Hazardous Substances Directive” in electrical and electronic equipment.
Non-RoHS Compliant - Lead Free
Lead Free is a term used to describe electronic components that do not contain lead as part of their composition. Lead is a toxic material that can have harmful effects on human health and the environment, so the electronics industry has been moving towards lead-free components to reduce these risks. Lead-free components are typically made using alternative materials such as silver, copper, and tin. Manufacturers must comply with regulations such as the Restriction of Hazardous Substances (RoHS) directive to ensure that their products are lead-free and environmentally friendly.
Lead Free
LM2903M Applications
• Battery Powered Applications
• Industrial Applications
LM2903M Typical Application Circuit

LM2903M Typical Application Circuit
LM2903M Package

LM2903M Manufacturer
Texas Instruments Incorporated (TI) is an American technology company based in Dallas, Texas, that designs and manufactures semiconductors and various integrated circuits, which it sells to electronics designers and manufacturers globally. It is one of the top 10 semiconductor companies worldwide based on sales volume. The company's focus is on developing analog chips and embedded processors, which account for more than 80% of its revenue. TI also produces TI digital light processing technology and education technology products including calculators, micro-controllers, and multi-core processors. The company boasts 45,000 patents around the globe as of 2016.
Trend Analysis
Parts with Similar Specs
- ImagePart NumberManufacturerPackage / CaseNumber of PinsNumber of CircuitsInput Offset Voltage (Vos)Supply VoltageNumber of TerminationsMax Supply CurrentCurrent - Input Bias (Max)View Compare
LM2903M
8-SOIC (0.154, 3.90mm Width)
8
2
7 mV
5 V
8
1 mA
0.25μA @ 5V
8-SOIC (0.154, 3.90mm Width)
8
2
7 mV
5 V
8
1 mA
0.25μA @ 5V
8-SOIC (0.154, 3.90mm Width)
8
-
7 mV
5 V
8
1 mA
0.25μA @ 5V
8-SOIC (0.154, 3.90mm Width)
8
2
1 mV
5 V
8
1 mA
0.25μA @ 5V
8-SOIC (0.154, 3.90mm Width)
8
2
7 mV
5 V
8
1 mA
0.25μA @ 5V
Parts with Similar Specs
- ImagePart NumberManufacturerPackage / CaseNumber of PinsNumber of CircuitsInput Offset Voltage (Vos)Supply VoltageNumber of TerminationsMax Supply CurrentCurrent - Input Bias (Max)View Compare
LM2903M
8-SOIC (0.154, 3.90mm Width)
8
2
7 mV
5 V
8
1 mA
0.25μA @ 5V
8-SOIC (0.154, 3.90mm Width)
8
2
7 mV
5 V
8
1 mA
0.25μA @ 5V
8-SOIC (0.154, 3.90mm Width)
8
-
7 mV
5 V
8
1 mA
0.25μA @ 5V
8-SOIC (0.154, 3.90mm Width)
8
2
1 mV
5 V
8
1 mA
0.25μA @ 5V
8-SOIC (0.154, 3.90mm Width)
8
2
7 mV
5 V
8
1 mA
0.25μA @ 5V
What is LM2903M?
The LM2903M comprises of two independent precision voltage comparators with an offset voltage specification as low as 2.0 mV max for two comparators that were designed to operate across a wide variety of voltages from a single power source. It is also possible to operate from split power supplies, and the low power supply current drain is unaffected by the amount of the power supply voltage. Even though run from a single power supply voltage, these comparators have a unique feature in that the input common-mode voltage range includes ground.
What is the recommended operating temperature of the component?
-40°C~85°C.
What is the component’s number of pins?
8.
What is the package of the device?
8-SOIC (0.154, 3.90mm Width).
SN74LVC1G06DCKR Single Inverter Buffer/Driver: Diagram, Pinout, and Datasheet12 April 20221201
CR2354 Lithium Battery: CR2354 Battery Equivalent, 3V Coin CR2354, and Replacement18 November 202118187
STM8AF6223PDU Microcontroller: Technical Overview29 February 2024131
STM32F303VCT6 Microcontroller: 32-Bit, Pinout , Features and Datasheet14 January 20223983
Guide to Reading the Toshiba 74HC245D Datasheet18 August 2025129
SF1V-4-07L Relay Sockets RELAY SOCKET 10 POS DIN RAIL: Datasheet, Features, and Application26 March 2022707
Introduction to Microchip ATUC64L4UZAUT Microcontroller29 February 202497
TTP223 Capacitive Touch Switch, Touch Key Module[Video]21 April 20225086
Introduction to BAW Filter25 September 202111251
An Overview of Bipolar Transistors27 August 20208179
Optocouplers Guide: Understanding Types, Applications, and Circuit Design Tutorial06 June 20253341
Organic Semiconductor Market Set to Reach USD 843.62 Billion by 2032, Driven by Rising Demand for Flexible Electronics05 October 20232198
A brief Analysis of the 555 Timer Circuit and its Project Applications15 March 20243003
What is PWM "Dead Band"?21 April 20226660
Introduction to Ultrasonic Transducer: Working Principle, Types and Applications25 February 202112772
High-Frequency Silicon Carbide MOSFETs using Resonant Gate Driver Circuits13 March 20241746
Texas Instruments
In Stock: 140
United States
China
Canada
Japan
Russia
Germany
United Kingdom
Singapore
Italy
Hong Kong(China)
Taiwan(China)
France
Korea
Mexico
Netherlands
Malaysia
Austria
Spain
Switzerland
Poland
Thailand
Vietnam
India
United Arab Emirates
Afghanistan
Åland Islands
Albania
Algeria
American Samoa
Andorra
Angola
Anguilla
Antigua & Barbuda
Argentina
Armenia
Aruba
Australia
Azerbaijan
Bahamas
Bahrain
Bangladesh
Barbados
Belarus
Belgium
Belize
Benin
Bermuda
Bhutan
Bolivia
Bonaire, Sint Eustatius and Saba
Bosnia & Herzegovina
Botswana
Brazil
British Indian Ocean Territory
British Virgin Islands
Brunei
Bulgaria
Burkina Faso
Burundi
Cabo Verde
Cambodia
Cameroon
Cayman Islands
Central African Republic
Chad
Chile
Christmas Island
Cocos (Keeling) Islands
Colombia
Comoros
Congo
Congo (DRC)
Cook Islands
Costa Rica
Côte d’Ivoire
Croatia
Cuba
Curaçao
Cyprus
Czechia
Denmark
Djibouti
Dominica
Dominican Republic
Ecuador
Egypt
El Salvador
Equatorial Guinea
Eritrea
Estonia
Eswatini
Ethiopia
Falkland Islands
Faroe Islands
Fiji
Finland
French Guiana
French Polynesia
Gabon
Gambia
Georgia
Ghana
Gibraltar
Greece
Greenland
Grenada
Guadeloupe
Guam
Guatemala
Guernsey
Guinea
Guinea-Bissau
Guyana
Haiti
Honduras
Hungary
Iceland
Indonesia
Iran
Iraq
Ireland
Isle of Man
Israel
Jamaica
Jersey
Jordan
Kazakhstan
Kenya
Kiribati
Kosovo
Kuwait
Kyrgyzstan
Laos
Latvia
Lebanon
Lesotho
Liberia
Libya
Liechtenstein
Lithuania
Luxembourg
Macao(China)
Madagascar
Malawi
Maldives
Mali
Malta
Marshall Islands
Martinique
Mauritania
Mauritius
Mayotte
Micronesia
Moldova
Monaco
Mongolia
Montenegro
Montserrat
Morocco
Mozambique
Myanmar
Namibia
Nauru
Nepal
New Caledonia
New Zealand
Nicaragua
Niger
Nigeria
Niue
Norfolk Island
North Korea
North Macedonia
Northern Mariana Islands
Norway
Oman
Pakistan
Palau
Palestinian Authority
Panama
Papua New Guinea
Paraguay
Peru
Philippines
Pitcairn Islands
Portugal
Puerto Rico
Qatar
Réunion
Romania
Rwanda
Samoa
San Marino
São Tomé & Príncipe
Saudi Arabia
Senegal
Serbia
Seychelles
Sierra Leone
Sint Maarten
Slovakia
Slovenia
Solomon Islands
Somalia
South Africa
South Sudan
Sri Lanka
St Helena, Ascension, Tristan da Cunha
St. Barthélemy
St. Kitts & Nevis
St. Lucia
St. Martin
St. Pierre & Miquelon
St. Vincent & Grenadines
Sudan
Suriname
Svalbard & Jan Mayen
Sweden
Syria
Tajikistan
Tanzania
Timor-Leste
Togo
Tokelau
Tonga
Trinidad & Tobago
Tunisia
Turkey
Turkmenistan
Turks & Caicos Islands
Tuvalu
U.S. Outlying Islands
U.S. Virgin Islands
Uganda
Ukraine
Uruguay
Uzbekistan
Vanuatu
Vatican City
Venezuela
Wallis & Futuna
Yemen
Zambia
Zimbabwe


Product
Brand
Articles
Tools






