AO6800:30V Dual N-Channel MOSFET
SOT23-6 MOSFET RoHS
ao6800 is a kind of Electronic component ICs. This passage is going to introduce AO6800 from the perspectives of manufacturer, description, and Package.
AO6800 description
The AO6800 employs advanced trench technology to achieve high RDS(ON), low gate charge, and operation at gate voltages as low as 2.5V. This device can function as a load switch or in PWM applications.
AO6800 features
Type of Control Channel: N -Channel
Maximum Power Dissipation (Pd): 1.15 W
Maximum Drain-Source Voltage |Vds|: 30 V
Maximum Gate-Source Voltage |Vgs|: 12 V
Maximum Gate-Threshold Voltage |Vgs(th)|: 1.5 V
Maximum Drain Current |Id|: 3.4 A
Maximum Junction Temperature (Tj): 150 °C
Rise Time (tr): 1.5 nS
Drain-Source Capacitance (Cd): 35 pF
Maximum Drain-Source On-State Resistance (Rds): 0.06 Ohm
Package: TSOP-6
AO6800 applications
1. Communications equipment: Broadband fixed-line access/Datacom module/Wired networking/Wireless infrastructure
2. Industrial: Aerospace & defense/Appliances/Building automation/Electronic point of sale (EPOS)/Factory automation & control/Grid infrastructure/Industrial transport (non-car & non-light truck)/Lighting/Medical/Motor drives/Power delivery/Pro audio, video & signage/Test & measurement
3. Personal electronics:Connected peripherals & printers/Data storage/Gaming/Home theater & entertainment/Mobile phones/PC & notebooks/Portable electronics/Tablets/TV/Wearable (non-medical)
AO6800 manufacturer
VBsemi Semiconductor (Taiwan) Co., Ltd., founded in the spring of 2003, is a national high-tech enterprise that integrates MOSFET wafers.
Development and design, packaging and testing, sales services, and technical support are some of the services offered.
The company is dedicated to producing mos tubes, serving terminal manufacturers in the middle and high-end markets, adhering to ISO9001 international quality standards, and holding over ten software copyrights and various honorary titles.
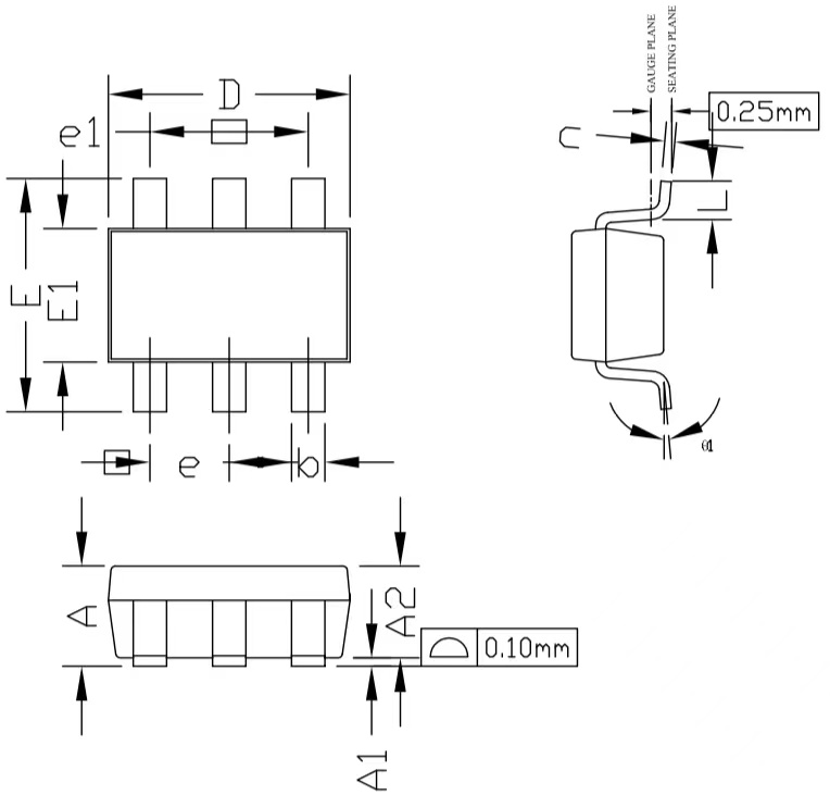
AO6800 package
TSOP6 PACKAGE OUTLINE

Specifications
- TypeParameter
- Package / Case
refers to the protective housing that encases an electronic component, providing mechanical support, electrical connections, and thermal management.
SOT23-6 - Packaging
Semiconductor package is a carrier / shell used to contain and cover one or more semiconductor components or integrated circuits. The material of the shell can be metal, plastic, glass or ceramic.
Tape & Reel (TR) - RoHS Status
RoHS means “Restriction of Certain Hazardous Substances” in the “Hazardous Substances Directive” in electrical and electronic equipment.
RoHS Compliant
Trend Analysis
Parts with Similar Specs
What device uses advanced trench technology to achieve high RDS(ON)?
AO6800
What can the AO6800 function as in PWM applications?
load switch
Can AO6800 be operated in the temperature of 100℃?
Yes, it is suitable for -125-150℃.
How many pins does AO6800 have?
It has 6 pins.
Where does AO6800 come from?
It is made from VBsemi Elec.
What’s the relationship between CR1616 and CR1632?31 May 202229589
IRFZ44N Power MOSFET: Uses, Price and Application27 August 202122721
MCP23S17 Expander: Features, Pinout, and Datasheet13 December 20214193
LM358AP OPAMP: Pinout, Specification, Datasheet14 August 20245597
J113 N-Channel Switch: J113 Transistor Equivalents and Datasheet26 March 20225649
LM5122 Boost Controller: Application, Datasheet, Circuit08 April 20223819
BSS138 N-Channel Transistor: Pinout, Datasheet and Equivalent14 July 20213288
LTC3588 Energy harvester: Datasheet, Circuit and Pinout10 August 20219038
Devices based on Semiconductor Laser Chaos for Optical Communications22 February 20232270
Introduction to MD8002A Audio Amplifier27 March 20258407
Diodes Tutorial: How to Test Diodes?22 October 20259882
DeepMind Building AI That Thinks Like a Baby May Help Build Computer Models With Human Minds18 July 20222492
‘6G Networks’ - Pioneering the Next Era of Connectivity And Innovation18 March 20243341
Semiconductor Industry's Water Risk Underpriced, Warn Fund Managers14 September 20233812
Long Life Small Volume Detector Switch for Intelligent Applications16 March 20224423
State-of-Charge Estimation Techniques for Lithium-Ion Batteries26 January 20242198
VBsemi Elec
In Stock
United States
China
Canada
Japan
Russia
Germany
United Kingdom
Singapore
Italy
Hong Kong(China)
Taiwan(China)
France
Korea
Mexico
Netherlands
Malaysia
Austria
Spain
Switzerland
Poland
Thailand
Vietnam
India
United Arab Emirates
Afghanistan
Åland Islands
Albania
Algeria
American Samoa
Andorra
Angola
Anguilla
Antigua & Barbuda
Argentina
Armenia
Aruba
Australia
Azerbaijan
Bahamas
Bahrain
Bangladesh
Barbados
Belarus
Belgium
Belize
Benin
Bermuda
Bhutan
Bolivia
Bonaire, Sint Eustatius and Saba
Bosnia & Herzegovina
Botswana
Brazil
British Indian Ocean Territory
British Virgin Islands
Brunei
Bulgaria
Burkina Faso
Burundi
Cabo Verde
Cambodia
Cameroon
Cayman Islands
Central African Republic
Chad
Chile
Christmas Island
Cocos (Keeling) Islands
Colombia
Comoros
Congo
Congo (DRC)
Cook Islands
Costa Rica
Côte d’Ivoire
Croatia
Cuba
Curaçao
Cyprus
Czechia
Denmark
Djibouti
Dominica
Dominican Republic
Ecuador
Egypt
El Salvador
Equatorial Guinea
Eritrea
Estonia
Eswatini
Ethiopia
Falkland Islands
Faroe Islands
Fiji
Finland
French Guiana
French Polynesia
Gabon
Gambia
Georgia
Ghana
Gibraltar
Greece
Greenland
Grenada
Guadeloupe
Guam
Guatemala
Guernsey
Guinea
Guinea-Bissau
Guyana
Haiti
Honduras
Hungary
Iceland
Indonesia
Iran
Iraq
Ireland
Isle of Man
Israel
Jamaica
Jersey
Jordan
Kazakhstan
Kenya
Kiribati
Kosovo
Kuwait
Kyrgyzstan
Laos
Latvia
Lebanon
Lesotho
Liberia
Libya
Liechtenstein
Lithuania
Luxembourg
Macao(China)
Madagascar
Malawi
Maldives
Mali
Malta
Marshall Islands
Martinique
Mauritania
Mauritius
Mayotte
Micronesia
Moldova
Monaco
Mongolia
Montenegro
Montserrat
Morocco
Mozambique
Myanmar
Namibia
Nauru
Nepal
New Caledonia
New Zealand
Nicaragua
Niger
Nigeria
Niue
Norfolk Island
North Korea
North Macedonia
Northern Mariana Islands
Norway
Oman
Pakistan
Palau
Palestinian Authority
Panama
Papua New Guinea
Paraguay
Peru
Philippines
Pitcairn Islands
Portugal
Puerto Rico
Qatar
Réunion
Romania
Rwanda
Samoa
San Marino
São Tomé & Príncipe
Saudi Arabia
Senegal
Serbia
Seychelles
Sierra Leone
Sint Maarten
Slovakia
Slovenia
Solomon Islands
Somalia
South Africa
South Sudan
Sri Lanka
St Helena, Ascension, Tristan da Cunha
St. Barthélemy
St. Kitts & Nevis
St. Lucia
St. Martin
St. Pierre & Miquelon
St. Vincent & Grenadines
Sudan
Suriname
Svalbard & Jan Mayen
Sweden
Syria
Tajikistan
Tanzania
Timor-Leste
Togo
Tokelau
Tonga
Trinidad & Tobago
Tunisia
Turkey
Turkmenistan
Turks & Caicos Islands
Tuvalu
U.S. Outlying Islands
U.S. Virgin Islands
Uganda
Ukraine
Uruguay
Uzbekistan
Vanuatu
Vatican City
Venezuela
Wallis & Futuna
Yemen
Zambia
Zimbabwe


Product
Brand
Articles
Tools









