Analog Devices DC804A-BEvaluation Board, 3.3V, 1.6A Poe
Description
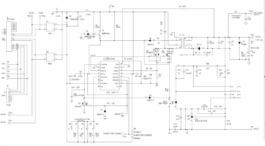
The Analog Devices DC804A-B, LTC4267CDHC Demo Board is a consumer electronics device designed to provide a reliable RJ-45 Ethernet output with a voltage of 3.3V and a current of 1.6A. It is a versatile and easy-to-use board that is ideal for a variety of applications, including powering Ethernet-enabled devices, providing power to a wide range of consumer electronics, and more. The board is designed to be robust and reliable, with a wide operating temperature range and a high efficiency rating. It is also designed to be easy to use, with a simple setup process and intuitive controls.


Product
Brand
Articles
Tools









