Linear Technology/Analog Devices DC1335B-CEVAL BOARD FOR LTC4269-1
Description
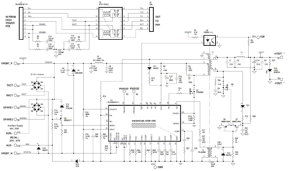
The Analog Devices DC1335B-C, LTC4269-1 Demo Board is a Power over Ethernet (PoE) powered device with a 48V isolated auxiliary output. It has a voltage output of 12V and a current output of 2A, making it suitable for industrial applications with a wide temperature range. The board is designed to demonstrate the features of the LTC4269-1, a high-efficiency, low-power PoE controller. It is capable of providing up to 25W of power to a powered device, and is compliant with the IEEE 802.3af and 802.3at standards. The board also features a wide range of protection features, including over-voltage, over-current, and short-circuit protection.
Specifications
Linear Technology/Analog Devices technical specifications, attributes, parameters and parts with similar specifications to Linear Technology/Analog Devices .
- TypeParameter
- Lifecycle StatusPRODUCTION (Last Updated: 3 weeks ago)
- Factory Lead Time8 Weeks
- Number of Pins0
- Published2010
- Part StatusActive
- Moisture Sensitivity Level (MSL)1 (Unlimited)
- TypePower Management
- Base Part NumberLTC4269
- FunctionPower over Ethernet (PoE)
- Operating Supply Voltage57V
- Utilized IC / PartLTC4269-1
- Supplied ContentsBoard(s)
- Evaluation KitYes
- EmbeddedNo
- Length33mm
- REACH SVHCNo SVHC
- RoHS StatusROHS3 Compliant
0 Similar Products Remaining


Product
Brand
Articles
Tools













